EasyManua.ls Logo

Nikon DTM-532 - System Diagram; System Component Diagrams

Nikon DTM-532
201 pages
Print Icon
To Next Page IconTo Next Page
To Next Page IconTo Next Page
To Previous Page IconTo Previous Page
To Previous Page IconTo Previous Page
Loading...
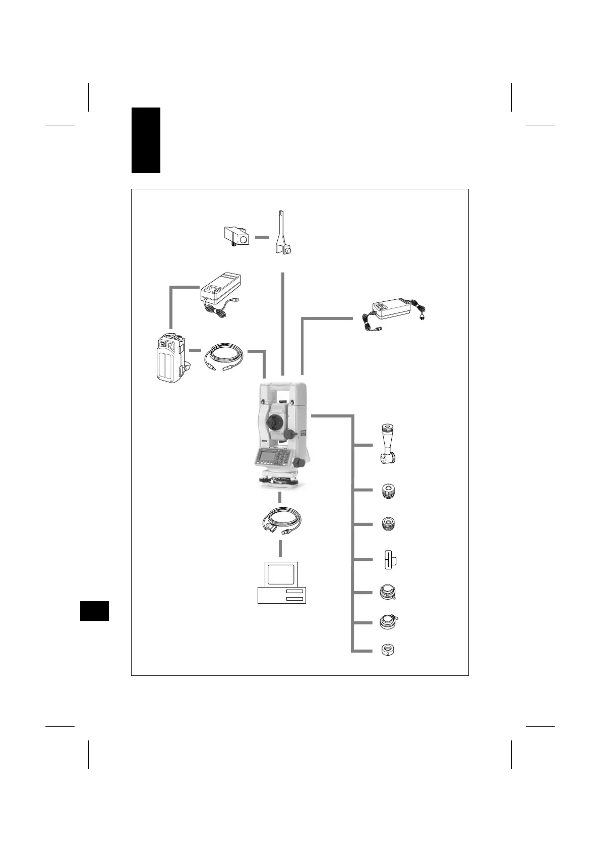
6. SYSTEM DIAGRAM
6-1
6
SYSTEM DIAGRAM
Measurement Side
Battery charger
type Q-B4U/B4E
(with power cord)
E
xternal
N
i-Cd battery
t
ype B4E
External battery
cord type B4-1
DTM/PC connecting
cable (9 pin/25 pin)
115V, 220/240V Quick charger
Q-75U (115V), Q-75E (220/240V
)
High-power
eyepiece (41X)
Zenith prism
Diagonal
eyepiece
Low-power
eyepiece (21X)
DTM-502 series
Personal
computer
Tubular compass
attachment
Tubular
compass
Solar prism
Solar filter
Solar reticle

Table of Contents

Related product manuals