EasyManua.ls Logo

Nirvana NE55 - Commissioning the heat pump after Installation

Nirvana NE55
20 pages
Print Icon
To Next Page IconTo Next Page
To Next Page IconTo Next Page
To Previous Page IconTo Previous Page
To Previous Page IconTo Previous Page
Loading...
8
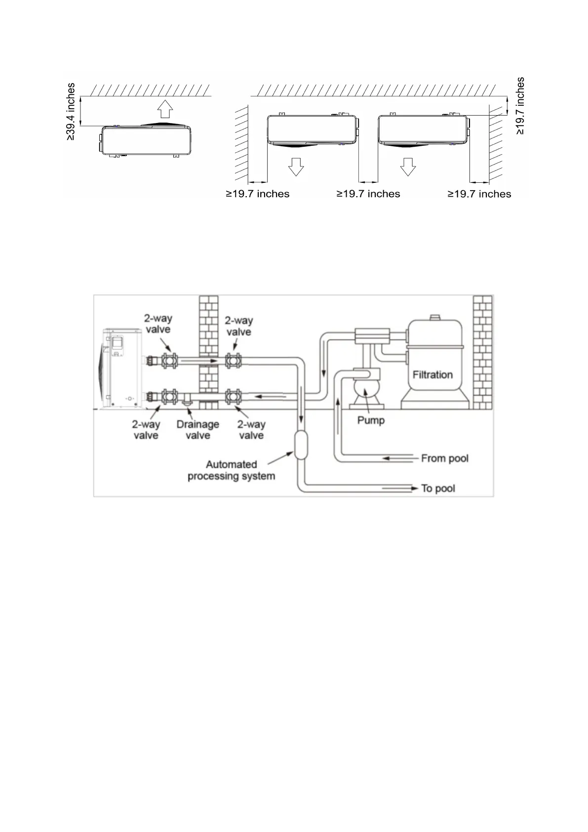
Anything could not be placed within at least 39.4 inches in front of heat pump.
Leave at least 19.7 inches of empty space around the sides and rear of heat pump.
Do not put any stuff on or in front of heat pump!
3. Installation Layout
The filter must be cleaned regularly to ensure that water in the system is clean and avoid blocking of
filter. It is necessary that drainage valve is fixed on the lower water pipe. If the unit is not running
during winter months, please disconnect power supply and let out drain water from unit through
drainage valve. If ambient temperature of running unit is below 0
, please keep water pump
running.

Other manuals for Nirvana NE55

Related product manuals