EasyManua.ls Logo

Norac UC5 - UC5 Operation; Initial Start Up; Main Run Screen

Norac UC5
50 pages
Print Icon
To Next Page IconTo Next Page
To Next Page IconTo Next Page
To Previous Page IconTo Previous Page
To Previous Page IconTo Previous Page
Loading...
5
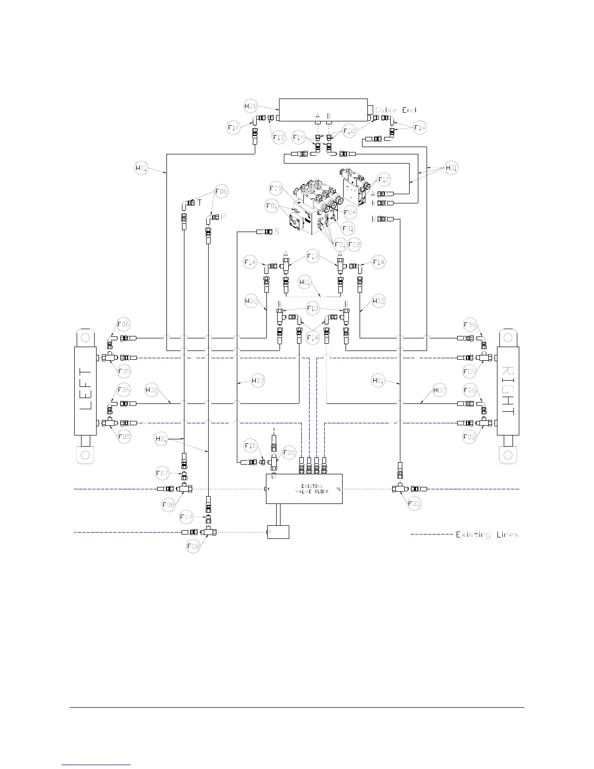
4.2 Hydraulic Plumbing
Figure 3: JD12A Hydraulic Plumbing