EasyManua.ls Logo

Norcold 2118SS - Schéma de Câblage; Compartiment Frigo

Norcold 2118SS
102 pages
Print Icon
To Next Page IconTo Next Page
To Next Page IconTo Next Page
To Previous Page IconTo Previous Page
To Previous Page IconTo Previous Page
Loading...
63
MANUEL D’ENTRETIEN
www.norcold.com
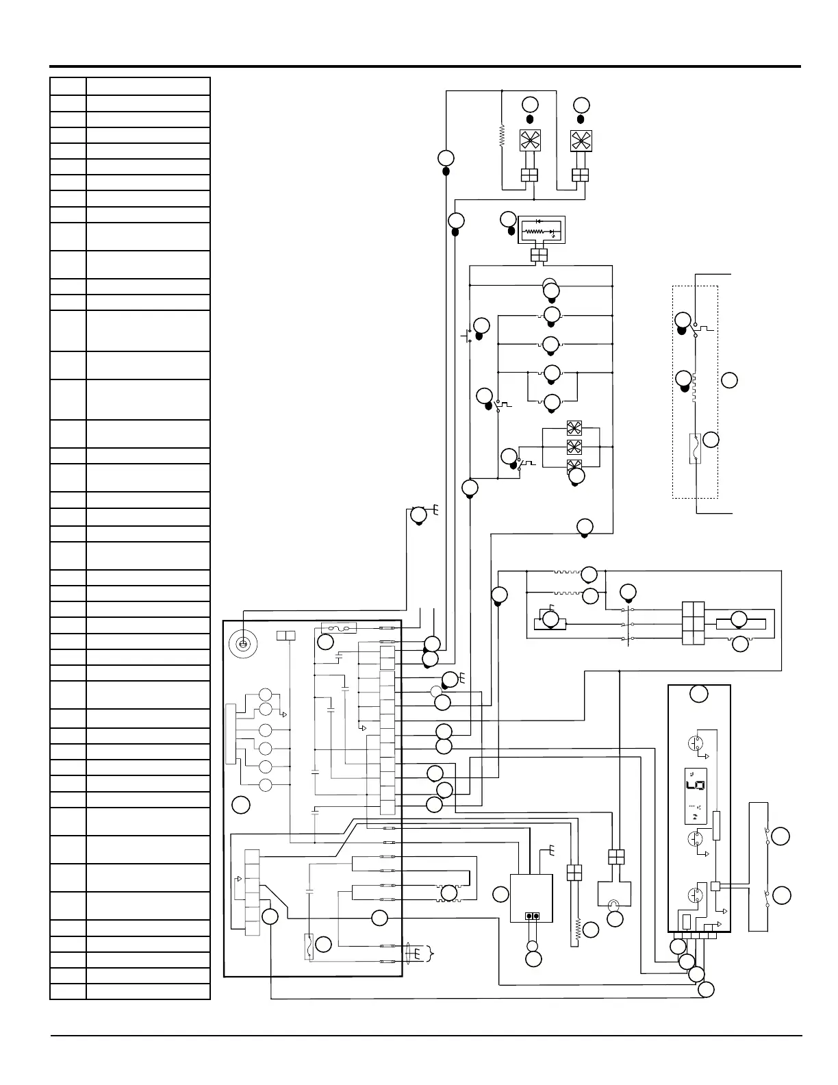
Schéma de câblage
Fig. 17 - Schéma de câblage
Description
PB Circuit d’alimentation
DB Tableau d’affichage
CW Ensemble pour temps froid
A Élément chauffant c.a.
B Lumière
C Thermistance
D Soupape de gaz
E Cloison chauffante
F Unité chauffante du
périmètre
G Ventilateur du
compartiment frigo
H Commande de température
I Ventilateurs externes
J * Unité chauffante de la
conduite d’eau de l’appareil
à glaçons
K * Unité chauffante du robinet
d’eau
L * Unité chauffante de la
conduite d’eau du
distributeur d’eau
M * Unité chauffante du robinet
du distributeur d’eau
N * Valve d'eau
O * Lumière du distributeur
P.C.B.
P * Interrupteur du distributeur
Q Interrupteur de température
R * Interrupteur de température
S Boîtier de la cloison
chauffante
T Contacts de porte
U Volet chauffant
V Boîtier du volet
W Interrupteur de porte
X Allumeur
Y Ventilateur du congélateur
Z Thermocouple
1 12 V c.c. continus
sur fusible
2 12 V c.c. commutés
3 Communications
4 Masse de l’affichage
5 Masse auxiliaire
6 +12 V c.c. auxiliaires
7 +12 V c.c. de la cloison
8 +12 V c.c. de la soupape
de gaz
9 Masse des ventilateurs
internes
10 +12 V c.c. des
ventilateurs internes
11 Unité chauffante de l’unité
de refroidissement
12 Interrupteur de température
F1 Fusible c.c. 5 A
F2 Fusible c.a. 8 A
F3 Fusible c.c. 3 A
* Facultatif
TEMP
ON-OFF
MODE
MICRO
Vreg
1
2
3
4
5
P1
8
12VDC
GND
LIMIT_OUT
LIMIT_IN
AC_HT_HI_2
AC_HT_HI
AC_HT_LO
AC_HT_LO_2
L1
L2
4
1
2
35
6
125
3
4
67
8
9
10
1
2
K2
K5
K3
K1
K4
-
+
P3
-
-
-
+
+
+
+
+
P2
P1
+
U1
K2
K5
K4
K3
K1
GN/VE
WH/BC
BK/NR
WH/BC
RD/RG
RD-BU/RG-BL
YL/JN
OR/OR
RD/RG
RD-BU/RG-BL
BK-YL/NR-JN
OR/OR
P3
VT/VT
YL/JN
3
1
2
1
2
3
A
D
E
F
G
H
I
J
K
L
M
N
O
P
Q
R
S
T
U
V
W
W
X
6
5
4
3
2
1
7
6
5
4
3
2
1
7
8
PB
B
1
2
1
2
+
-
RD-YL/RG-JN
WH/BC
BK/NR
BU/BL
RD-BU/RG-BL
RD-YL/RG-JN
BK/NR
BU/BL
WH/BC
YL/JN
RD/RG
RD/RG
BK/NR
BK/NR
WH/BC
BK/NR
WH/BC
BR/BR
BR/BR
2
1
K6
P4
K6
1
2
1
2
1
2
1
2
+
-
+
-
Y
9
9
10
10
RD/RG
BK/NR
BK/NR
RD/RG
RD/RG
T1
DB
1
2
1
2
BR/BR BR/BRBK/NR
BK/NR
+12V IN
+12V OUT
GND
+
-
YL/JN
RD/RG
Z
BU/BL
GN/VE
RD/RG
BU/BL
+
C
1
1
22
BK/NR
BK/NR
BK/NR
BK/NR
11
12
BK-YL/NR-JN
RD-BU/RG-BL
-
RD/RG
BK/NR
NOR000186A
PB
A
B
C
D
E
F
G
H
I
J*
K*
L*
M*
N*
O*
P*
Q
R*
DB
S
T
U
V
X
Y
Z
1
2
3
4
5
6
7
8
9
10
11
12
F1
F2
F3
1
2
3
4
5
6
7
9
10
MASSE 12 V c.c.
cw
+12 V c.c.
120 V c.a.
MASSE 12 V c.c.
+12 V c.c.
W
W

Table of Contents

Other manuals for Norcold 2118SS

Related product manuals