EasyManua.ls Logo

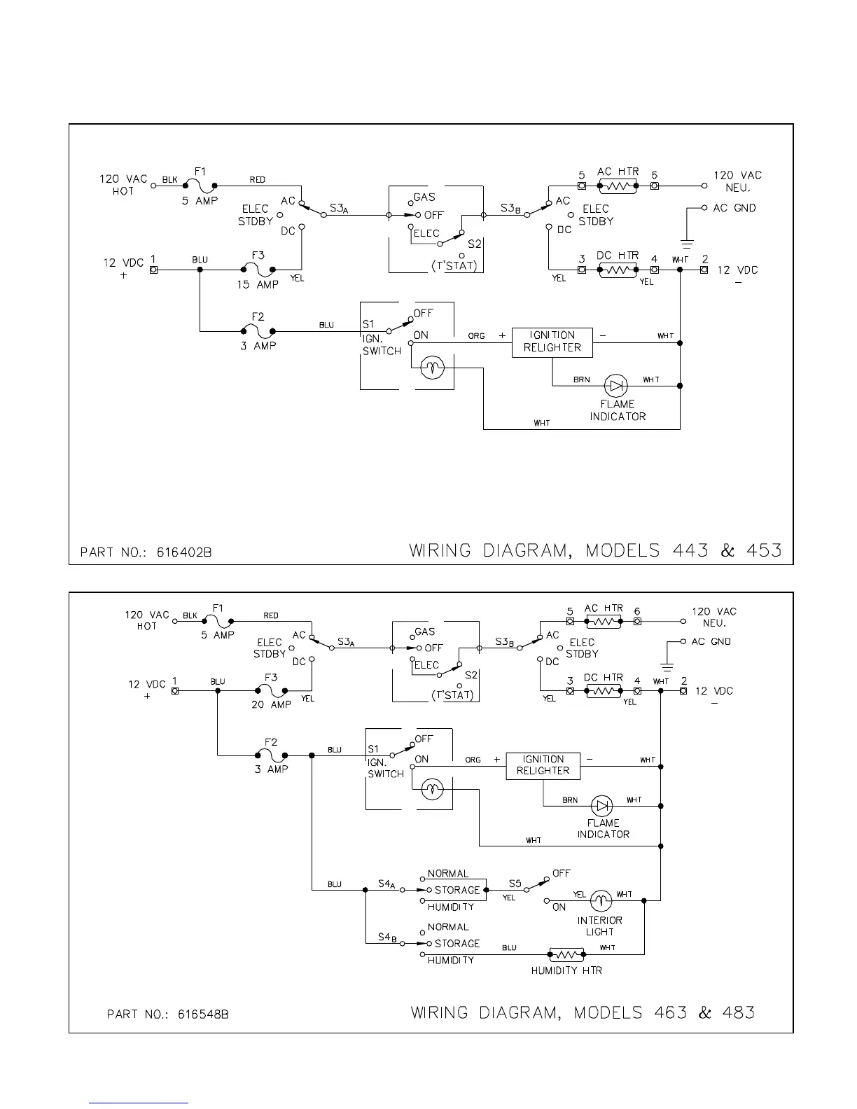
Norcold 443 - Wiring Diagrams for Earlier Versions; Earlier Models 443 & 453 Diagram; Earlier Models 463 & 483 Diagram

Norcold 443
30 pages
Print Icon
To Next Page IconTo Next Page
To Next Page IconTo Next Page
To Previous Page IconTo Previous Page
To Previous Page IconTo Previous Page
Loading...
This Page Contains Wiring Diagrams for Earlier Versions
3-3

Related product manuals