EasyManua.ls Logo

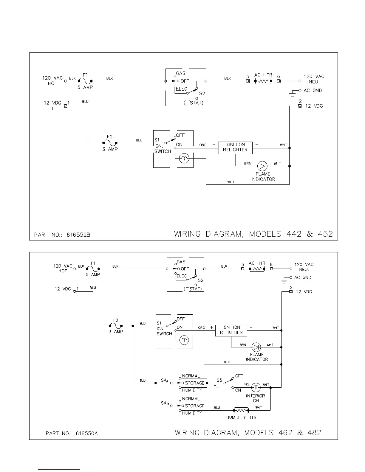
Norcold 443 - Earlier Models 442 & 452 Diagram

Norcold 443
30 pages
Print Icon
To Previous Page IconTo Previous Page
To Previous Page IconTo Previous Page
Loading...
This Page Contains Wiring Diagrams for Earlier Versions
3-4

Related product manuals