EasyManua.ls Logo

Norcold N305.3 - Wiring Pictorial; Fig. 11 - Wiring Pictorial; Schéma de Câblage

Norcold N305.3
43 pages
Print Icon
To Next Page IconTo Next Page
To Next Page IconTo Next Page
To Previous Page IconTo Previous Page
To Previous Page IconTo Previous Page
Loading...
SERVICE MANUAL / MANUEL D’ENTRETIEN / MANUAL DE SERVICIO
39
www.norcold.com
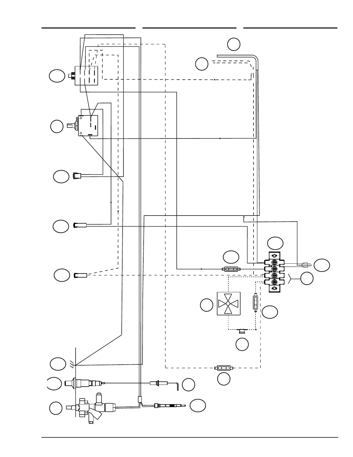
Wiring Pictorial Ilustración de cableadoSchéma de câblage
4a
4b
2a
2b
3b
3a
1a
1b
6
3
4
BLK-NR-NG
RED-RG-RJ
BLK-NR-NG
BLK-NR-NG
RED-RG-RJ
RED-RG-RJ
Y-GY-GR
A
RG
Y-GY-GR
A
RG
K-NR-NG
L
B
BLK-NR-NG
RED-RG-RJ
D-RG
-RJ
E
R
GRN/YEL-VE/JN-VER/AMA
L-VE/JN-VER/AMAE
Y/N
RG
BLU-BL
-AZ
BLK-NR-NG
YEL-JN-AMA
YEL-JN-AMA
YEL-JN-AMA
GRN/YEL-VE/JN-VER/AMA
-
WHT-BC-BLA
GRN/YEL-VE/JN-VER/AMA
BLK-NR-NG
YEL-JN-AMA
+
D-RG-RJER
BLK-NR-NG
RED-RG-RJ
D-RG-RJ
ER
WHT-BC-BLA
92
220
108
230
221
93
207
91
219
285
90
94
96
281
217
89
97
237
98
216
BLU/WHT-BL/BC-AZ/BLA
K-NR-NGL
B
K-NR-NGL
B
U-BL-AZLB
U-BL
-AZ
LB
NOR000153A
Fig. 11 - Wiring Pictorial Fig. 11 - Schéma de câblage Fig. 11 - Ilustración de cableado

Table of Contents

Related product manuals