EasyManua.ls Logo

Norcold N62X - Page 47

Norcold N62X
52 pages
Print Icon
To Next Page IconTo Next Page
To Next Page IconTo Next Page
To Previous Page IconTo Previous Page
To Previous Page IconTo Previous Page
Loading...
Manuel d’utilisation 21
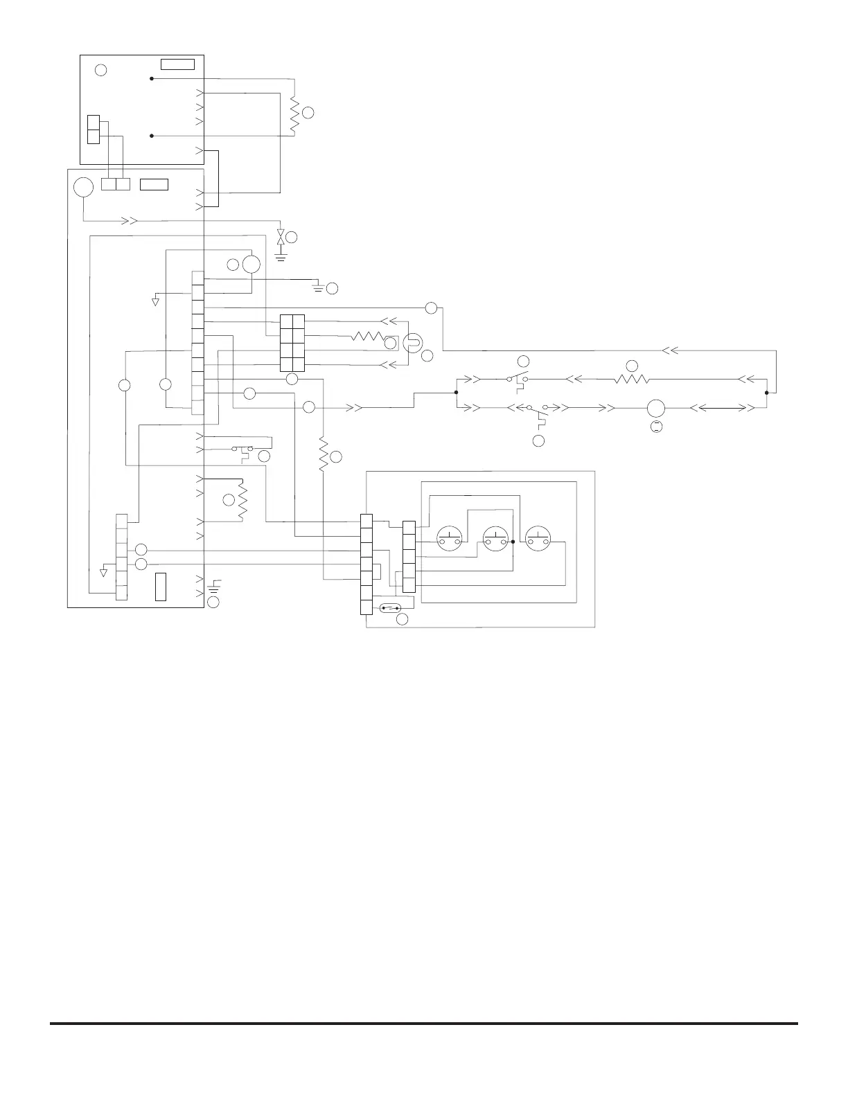
A AC HEATER / ÉLÉMENT CHAUFFANT CA
B LIGHT / LAMPE
C THERMISTOR / THERMISTANCE
D GAS VALVE / ROBINET DE GAZ
E IGNITER / ALLUMEUR
F DIVIDER HEATER / ELEMENT DE CLOISON
G TEMPERATURE SWITCH / INTERRUPTRUR DE TEMPÉRATURE
H TEMPERATURE SWITCH / INTERRUPTRUR DE TEMPÉRATURE
I FAN / VENTILATEUR
J IM WATER LINE HEATER / CHAUFFERETTE DU YUYAU D’EAU
DE LA MACHINE À GLAÇONS
K DC HEATER / ÉLÉMENT CHAUFFANT CD
L CHASSIS GROUND / MASSE DU CHASSIS
M DC BOARD / PANNEAU CD
N DOOR SWITCH / CONTACTEUR DE PORTE
P TEMPERATURE SWITCH / INTERRUPTRUR DE TEMPÉRATURE
- OPTIONAL
/ FACULTATIF
*
*
*
*
*
*
1 SWITCHED 12VDC / COMMUTÉ 12VCD
2 FUSED CONTINUOUS 12VDC/ CONTINU
FONDU 12VCD
3 COMMUNICATIONS / COMMUNICATIONS
4 DISPLAY GROUND / AFFICHAGE LA TERRE
5 AUXILIARY GROUND / MASSE AUXILIAIRE
6 AUXILIARY +12VDC / AUXILIAIRE +12VCD
7 DIVIDER +12VDC / DE CLOISON +12VCD
8 GAS VALVE +12VDC / ROBINET DE GAZ +12VCD
F1 5 AMP DC FUSE / FUSIBLE DE 5 AMPERES CD
F2 8 AMP AC FUSE / FUSIBLE DE 5 AMPERES CA
F1 30 AMP DC FUSE / FUSIBLE DE 30 AMPERES CD
*
*
*
*
Art01875
GND
12VDC
AC_HT_HI2
F2
P2
1
10
2
L1
L2
BK/NR
AC_HT_LO
120 VAC
120 VCA
}
3
TEMP
T1
- 12 VDC/VCD
P1
4
1
2
3
+ 12 VDC/VCD
WH/BC
WH/BC
WH/BC
WH/BC
POWER BOARD / PANNEAU D’ALIMENTATION
ON-OFF
OVERLAY/REVÊTRMENT
MODE
DISPLAY BOARD/CARTE D’AFFICHAGE
8 AMP
AC_HT_LO2
AC_HT_HI
1
2
3
4
5
6
LIMIT_IN
LIMIT_OUT
WH/BC
RD-WH/RG-BC
4
5
6
7
8
9
YL-GN-/JN-VE
WH/BC
WH/BC
A
D
-
+
WH-BK/BC-NR
F1
5 AMP
E
BK-WH/NR-BC
4
1
2
3
BK/NR
C
B
RD/RG
BK/NR
BU/BL
WH-VT/BC-VT
1
2
3
4
5
6
7
GN/VE
1
2
3
4
5
L
L
G
H
J
RD/RG
2
3
4
P2
P1
+
+
-
-
5
8
BK/NR
1
WH/BC
WH-RD/BC-RG
7
F
6
N
BR/BR
RD/RG
RD/RG
BR/BR
WH/BC
RD/RG
I
BK/NR
BK/NR
BK/NR
BK/NR
1
2
GND
GND
12VDC
12VDC
1
2
P1
HTR_GND
DC_HTR
K
M
30 AMP
BK/NR
RD/RG
P3
YL/JN
YL/JN
F1
*
P

Table of Contents

Other manuals for Norcold N62X

Related product manuals