EasyManua.ls Logo

Norcold N62X - Page 48

Norcold N62X
52 pages
Print Icon
To Next Page IconTo Next Page
To Next Page IconTo Next Page
To Previous Page IconTo Previous Page
To Previous Page IconTo Previous Page
Loading...
Manuel d’utilisation 22
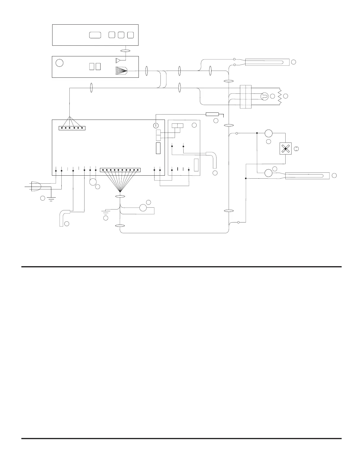
Schéma de câblage et schéma électrique de la machine à glaçons (modèles N64XIM, N64XIMX,
N84XIIM, et N84XIMX)
Désignation des repères du schéma de câblage et du schéma électrique de la machine à glaçons Art01500 :
120 V c.a. chaud...................................................................................................................................................................................109
Carte à circuit imprimé............................................................................................................................................................................49
Vis de mise à la terre ............................................................................................................................................................................ 111
Chaud/lissé ........................................................................................................................................................................................... 112
Neutre/torsadé ...................................................................................................................................................................................... 113
Électrovalve d’eau ..................................................................................................................................................................................44
Fusible thermique ................................................................................................................................................................................. 114
Machine à glaçons................................................................................................................................................................................ 115
Dispositif de chauffage,moule ..............................................................................................................................................................116
Thermostat .............................................................................................................................................................................................96
Contacteur d’arrêt ................................................................................................................................................................................. 117
Contacteur de remplissage................................................................................................................................................................... 118
Contacteur de maintien ........................................................................................................................................................................ 119
Moteur ...............................................................................................................................................................................................120
120 V c.a. - neutre ................................................................................................................................................................................ 110
Art01876
5
L1
L2
P1
5
OVERLAY/REVÊTRMENT
DISPLAY BOARD/
CARTE D’AFFICHAGE
POWER BOARD/ PANNEAU D’ALIMENTATION
+12VDC/VCD
4
P2
T1
5 AMP
AC_HT_HI_2
LIMIT_IN
LIMIT_OUT
AC_HT_LO
AC_HT_HI
AC_HT_LO_2
GND
12VDC
L
K
A
10
L
7
-12VDC/VCD
B
C
6 1
10
1
GND
GND
12V
12V
HTR_GND
DC_HTR
M
30 AMP
D
E
3
2
5
1
1
1
H
G
I
2
3
J
6
1
8 AMP
F2
F1
*
F1
*
*
F
P

Table of Contents

Other manuals for Norcold N62X

Related product manuals