EasyManua.ls Logo

Noritz CB199-DV - Page 36

Noritz CB199-DV
56 pages
Print Icon
To Next Page IconTo Next Page
To Next Page IconTo Next Page
To Previous Page IconTo Previous Page
To Previous Page IconTo Previous Page
Loading...
36
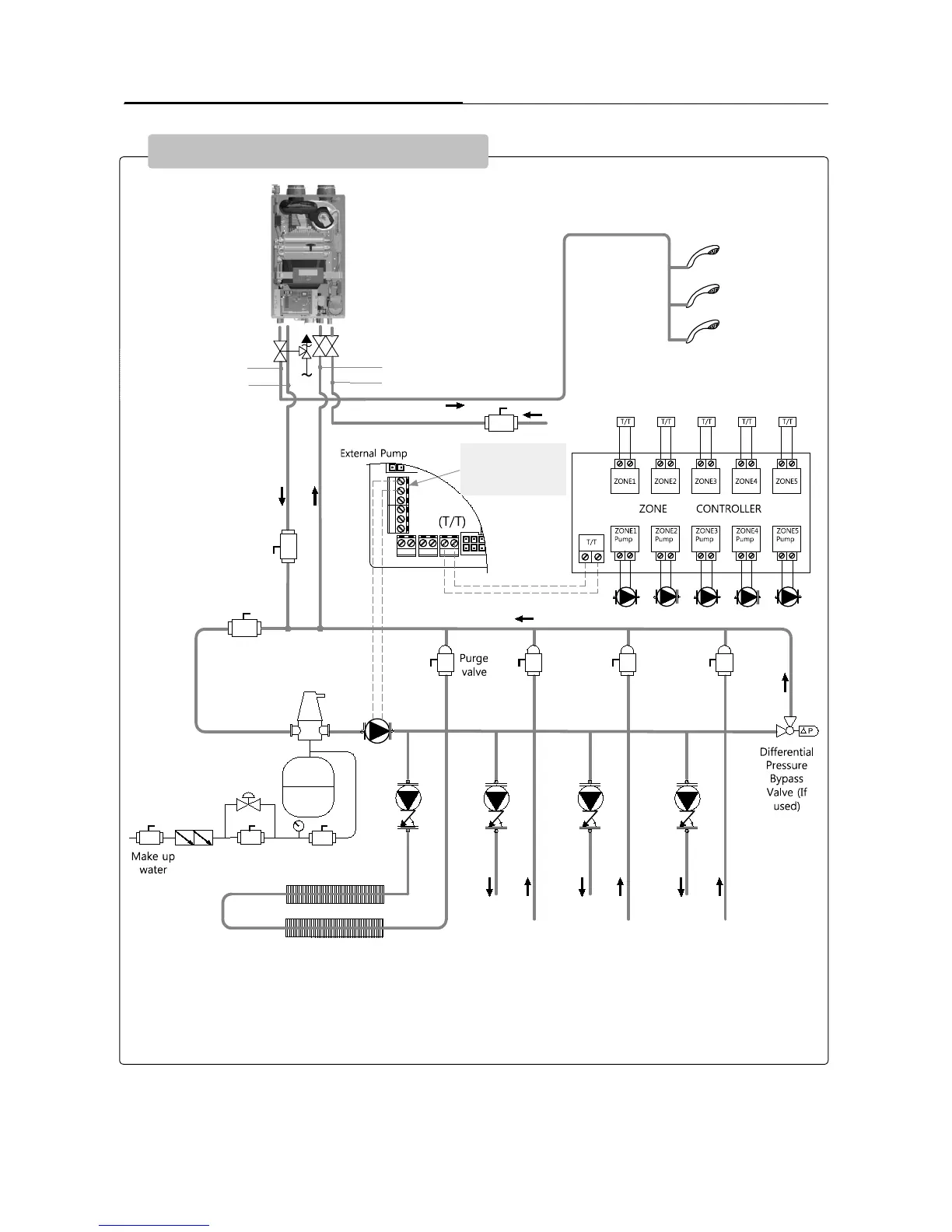
Application Diagram
Chapter4.–Installation
2. Primary/Secondary Piping with Zone Pumps
10:EP mode should to
be ‘ON’ in Installer Mode
to activate this terminal.
DHW
Cold Water
DHW Supply
Heating Supply
Heating Return
DHW Cold Water Supply

Related product manuals