EasyManua.ls Logo

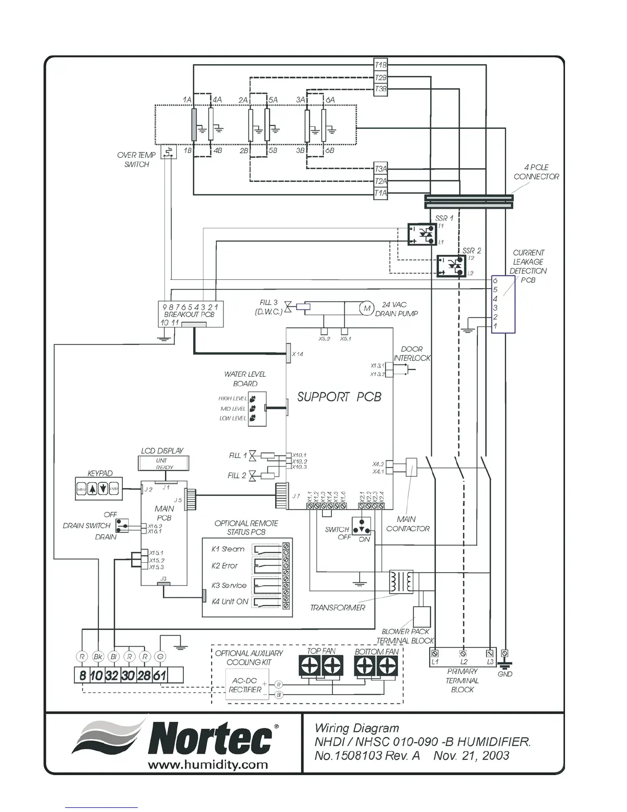
Nortec NHDI - Wiring Diagrams

Nortec NHDI
40 pages
Print Icon
To Next Page IconTo Next Page
To Next Page IconTo Next Page
To Previous Page IconTo Previous Page
To Previous Page IconTo Previous Page
Loading...
-34-

Related product manuals