EasyManua.ls Logo

Nortec WB60 - Page 4

Default Icon
23 pages
Print Icon
To Next Page IconTo Next Page
To Next Page IconTo Next Page
To Previous Page IconTo Previous Page
To Previous Page IconTo Previous Page
Loading...
4
Technical features of the burners NORTEC WB:
Model
Heat
power
kW
Air
consumption
m
3
/h
Air
pressure
MPa
Fuel
consumption
kg/h
Power
consumption
kW
(voltage/frequency)
V/Hz
Number and
value of
nozzles
Weigh
t, kg
WB 60
3059
5
0,15-0,3
3,656
1,5 (220/50)
1 / 2.0
30
о
36
WB 120
55130
9,5
0,2-0,3
6,0313
1,5 (220/50)
2 / 2.0
30
о
37
WB 230
130-230
12
0,2-0,4
14-23
2,6(220/50)
2 / 2.5
80
о
45
WB 270
190-270
15
0,2-0,4
19-27
2,6(220/50)
3 / 2.5
80
о
45,5
The sizes of burners see section 4.
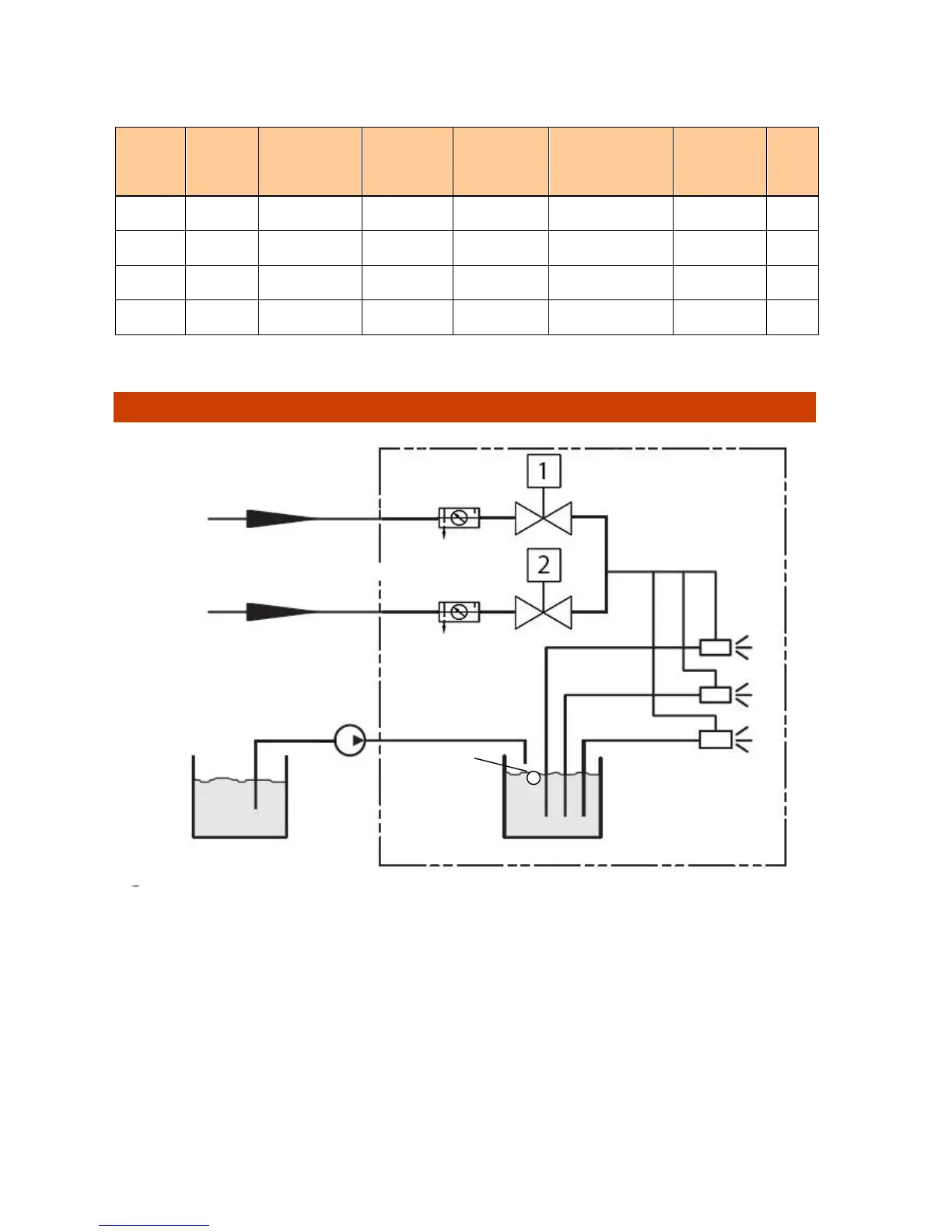
3. Diagram and function of NORTEC WB burners
* *not in the models NORTEC WB60 and WB120
** model NORTEC WB60 has 1 nozzle, WB120 and WB230 have 2 nozzles each and WB 270 - 3 nozzles
1. After getting a signal from the float placed in the preliminary fuel heater box the pump of
the lifting unit starts filling the box. At some point depending on the position of the float a
micro switch goes off which means that the box is full and the pump is off.
2. The thermostats of the preliminary fuel heating box set the maximum and minimum
temperature for heating the fuel.
3. From the thermostats signal the heaters start heating the fuel. At the minimum temperature
of the fuel one of the thermostats switches off and only one heater remains to work.
4. As soon as the given temperature of the oil is reached, the second heater switches off and
the burner gets ready to blow off the chamber of combustion. At this moment the fan of
secondary air works and the primary air valve is closed.
nozzles **
Preliminary fuel
heater
Lifting unit with
a pump and filter
External fuel tank
Compressed air line 1
Solenoid valves
Primary air
regulator 1
fuel
Primary air
Compressed air line 1
Primary air
regulator 2*
float