EasyManua.ls Logo

Nortek FT4BE-K - Wiring Diagrams; Wiring Diagram for 1.5 - 5 Ton Models (Units Equipped With CoreSense Diagnostic Module)

Nortek FT4BE-K
20 pages
Print Icon
To Next Page IconTo Next Page
To Next Page IconTo Next Page
To Previous Page IconTo Previous Page
To Previous Page IconTo Previous Page
Loading...
17
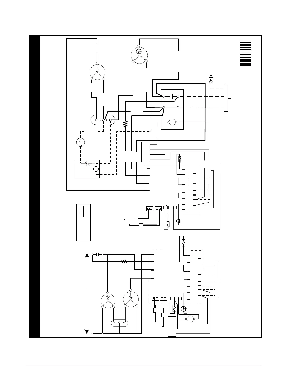
WIRING DIAGRAMS
OUTDOOR
FAN MOTOR
R
C
CC
C
H
F
DUAL
CAPACITOR
(SINGLE PHASE)
FIELD SUPPLY
L1
GRD
L2
GROUNDING
SCREW
C
S
T1
T2
L1 L2
CONTACTOR
R
COMPRESSOR
Y2 IN
FAN2CCH2CCH1
W2 IN
Y1 IN CR
HOT1
HOT2
(24V COM)
OUTDOOR
TEMP
Y1 OUT
RV1
O
LP1LP2HP1HP2
S
CC
DEFROST CONTROL
BOARD
BLACK
YELLOW/
YELLOW BLACK
BLACK/
BLACK WHITE
ORANGE
BLUE
COIL#1
TEMP
RV2
CCH
RVS
HPS
COIL SENSOR
HGBP
AMB SENSOR
YROC EW2
THERMOSTAT
FAN1
W2 OUT
Y2 OUT
RED/RED BLACK
BLACK
RCYP
CORESENSE
BLACK
BLACK
YELLOW
BLACK
BLACK
BLACK
RED
YELLOW
BLACK
RCYP
CORESENSE
CC
Y2 IN
FAN1 FAN2 CCH2 CCH1
W2 INY1 IN CR
HOT1
HOT2
(24V COM)
OUTDOOR
TEMP
Y1 OUT
RV1
O
LP1LP2HP1HP2
COIL#1
TEMP
RV2
Split System Heat Pump (Outdoor Section) Single Phase
WIRING DIAGRAM
NOTES:
1. Disconnect all power before servicing.
2. For supply connections use copper conductors only.
3. Not suitable on systems that exceed 150 volts to ground
4. For replacement wires use conductors suitable for 105˚ C.
5. For ampacities and overcurrent protection, see unit rating plate.
6. Connect to 24 vac/40va/class 2 circuit. See furnace/air handler
installation instructions for control circuit and optional
relay/transformer kits.
1. Couper le courant avant de faire letretien.
2. Employez uniquement des conducteurs en cuivre.
3. Ne convient pas aux installations de plus de 150 volt a la terre.
711341A
04/13
FIELD WIRING
LEGEND:
LOW VOLTAGE
HIGH VOLTAGE
DUAL CAPACITOR
H
C
F
COMPRESSOR
OUTDOOR FAN MOTOR
R
C
S
L1
T1
L2
T2
DEFROST CONTROL BOARD
208/230V
R
C
S
CCH
RVS
HPS
HGBP
COIL SENSOR
AMB SENSOR
YROC EW2
THERMOSTAT
AMB SENSOR - Ambient Sensor
CC - Contactor Coil
CCH - Crankcase Heater
HPS - High Pressure Switch
HGBP - Hot Gas By Pass Valve
RVS - Reversing Valve Solenoid
* HARD START KIT (OPTIONAL)
W2 OUT
Y2 OUT
START
CAPACITOR*
START RELAY*
5
2
1
YELLOW
BLACK
Figure 12. Wiring Diagram for 1.5 - 5 Ton Models
(Units Equipped With CoreSense
TM
Diagnostic Module)

Related product manuals