EasyManua.ls Logo

Nortek T4BE - Wiring Diagrams

Nortek T4BE
24 pages
Print Icon
To Next Page IconTo Next Page
To Next Page IconTo Next Page
To Previous Page IconTo Previous Page
To Previous Page IconTo Previous Page
Loading...
18
SEE ECM WIRING NOTES
CY0
W2
R
E
T1
T2
C
Y
0
0
W2
RDFTE
DF1
DF2
DEFROST CONTROL BOARD
CONTACTOR
RT
T1
T2
L2
L1
LEFT
SINGLE PHASE
FIELD SUPPLY
GROUNDING
LUG
HIGH PRESS.
SWITCH
COMPRESSOR
H
C
T1
T2
T3
CCH
ECM
Defrost
Thermostat
Reversing Valve
Solenoid
Start Capacitor
Start
Relay
1
5
2
ECM WIRING NOTES:
1) FOR 825 RPM AT TACH WHITE TO RIGHT CONTACTOR. (FOR SKUS 919660,919661,919662,919664)
2) FOR 960 RPM AT TACH YELLOW TO RIGHT CONTACTOR. (FOR SKU 919663)
3) FOR 1100 RPM AT TACH WHITE AND YELLOW TO RIGHT CONTACTOR.
BROWN
BLACK
WHITE
YELLOW
BLACK
BLUE
BLACK
BLACK
BLACK
RED
RED
YELLOW/BLACK
YELLOW/BLACK
BLUE
BLACK
BLACK
YELLOW
RED
BLACK
Compressor
R
C
S
E
Defrost Control Board
DFT
Control
Logic
DF1
DF2
DFT
1
2
3
4
1
R
W2
O
Y
C
T2
T1
R
W2
O
Y
C
RVS
HPS
CC
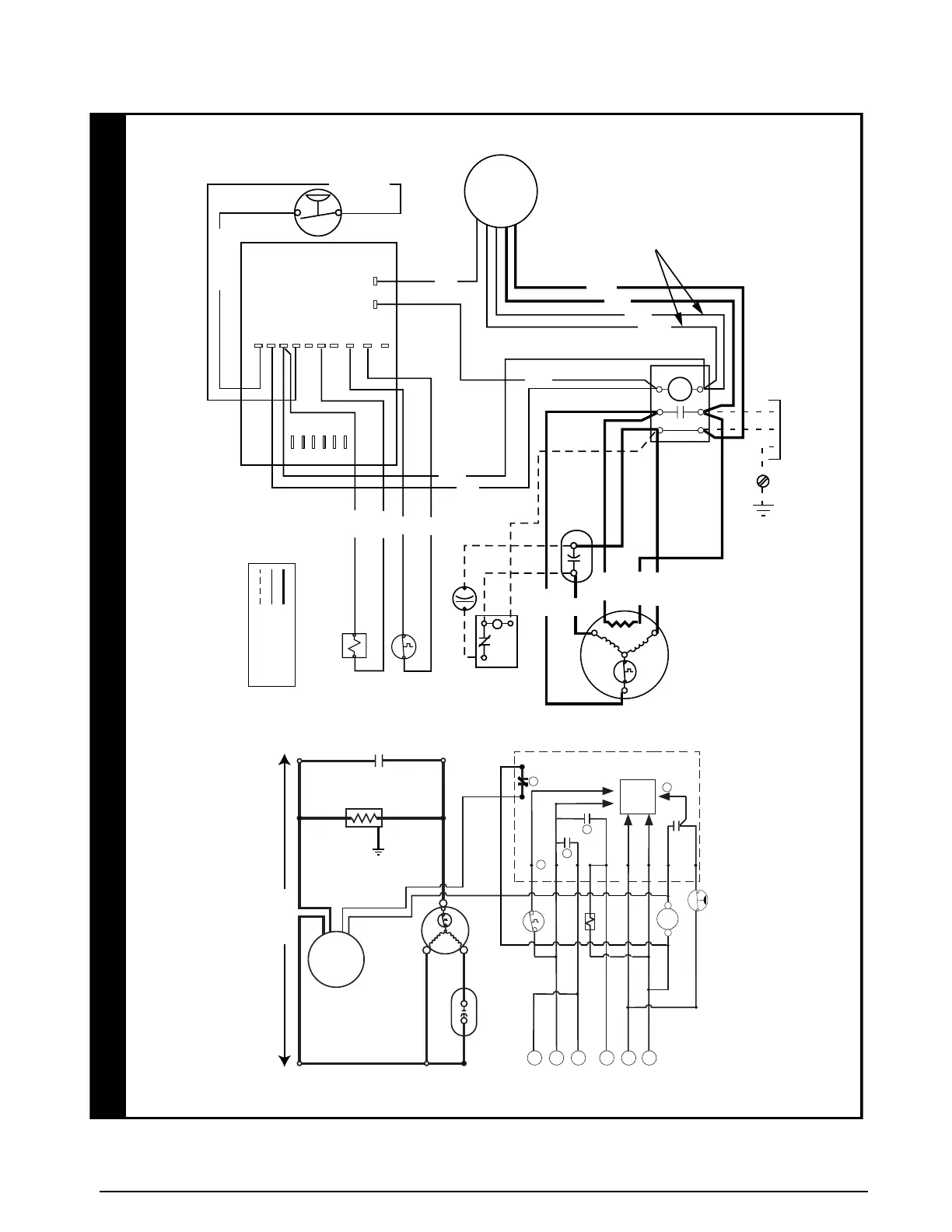
Split System Heat Pump (Outdoor Section) Single Phase
WIRING DIAGRAM
NOTES:
1. Disconnect all power before servicing.
2. For supply connections use copper conductors only.
3. Not suitable on systems that exceed 150 volts to ground.
4. For replacement wires use conductors suitable for 105˚C.
5. For ampacities and overcurrent protection, see unit rating plate.
6. Connect to 24 vac/40va/class 2 circuit. See furnace/air handler
installation instructions for control circuit and optional
relay/transformer kits.
Defrost Board Operation:
1. Closing during defrost. Rating: 1 Amp.Max
2. Opens during defrost. Rating: 2HP at 230 Vac Max.
3. Closed when “Y” is on. Open when “Y” is off.
Provides “offdelay time of 5 min. when “Y” opens.
4. With DFT closed and “Y” closed, compressor run
time is accumulated. Opening of DFT during
defrost or interval period resets the interval to 0.
CC - Contactor Coil
CCH - Crankcase Heater
DFT - Defrost Thermostat
HPS - High Pressure Switch
RVS - Reversing Valve Solenoid
* - Hard Start Kit Field Installed
1. Couper le courant avant de faire letretien.
2. Employez uniquement des conducteurs en cuivre.
3. Ne convient pas aux installations de plus de 150 volt a la terre.
FIELD WIRING
LEGEND:
LOW VOLTAGE
HIGH VOLTAGE
HC
CCH
L1
T1
L2
T2
Compressor
Contacts
ECM
208/230V
710658A (Replaces 7106580)
¢710658?¤
Figure 13. Wiring Diagram for CSH4BE, DT4BE, ET4BE, JT4BE, & MSH4BE Series (1.5 to 3.5 Ton Models)
WIRING DIAGRAMS & DIAGNOSTIC TABLES

Related product manuals