EasyManua.ls Logo

Novitool Aero 325 - Page 46

Default Icon
64 pages
Print Icon
To Next Page IconTo Next Page
To Next Page IconTo Next Page
To Previous Page IconTo Previous Page
To Previous Page IconTo Previous Page
Loading...
www.flexco.com
—46—
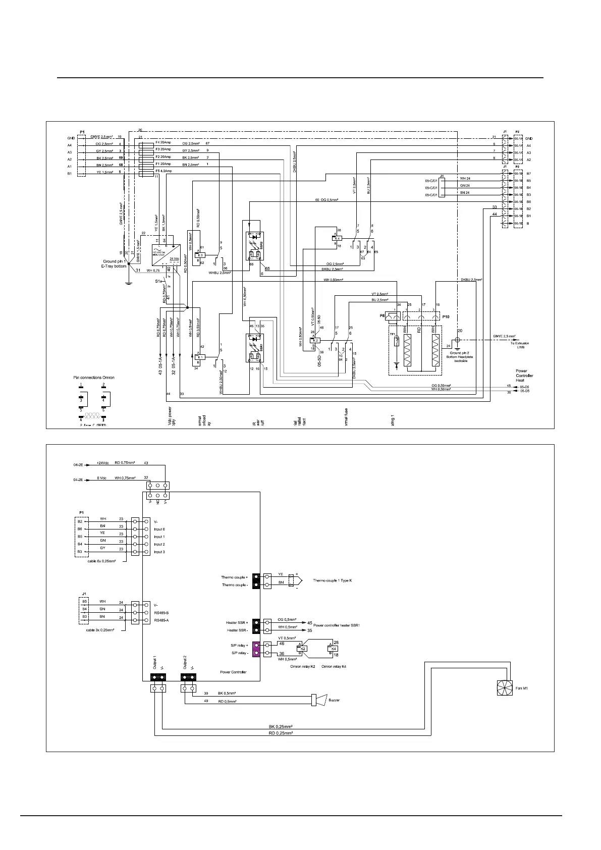
Schematics
Schematics Lower Press 325

Related product manuals