EasyManua.ls Logo

Novitool Aero 325 - Page 50

Default Icon
64 pages
Print Icon
To Next Page IconTo Next Page
To Next Page IconTo Next Page
To Previous Page IconTo Previous Page
To Previous Page IconTo Previous Page
Loading...
www.flexco.com
—50—
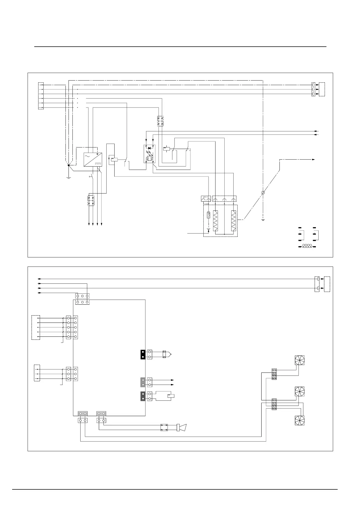
Schematics
A1+
A2-
L1
T1
A3
A4
1 3
5
1 23 4
5 6
Power controller Heat
05-D5
05-D5
K 1
Thermal overload relay
SSR power on/off
Serial / parrallel contact
Heating 1
24 Vdc power
1 2 3
GND
05-1A
05-1A
05-1A
WH 0.50mm²
K 2
A
B
A
B
VT 2.5mm²
BU 2.5mm²
RD 0.75mm²
RD 0.50mm²
RD 0.75mm²
WH 0.75mm²
WH 0.50mm²
OG 0.50mm²
F4 20Amp
F3 20Amp
F2 20Amp
F1 20Amp
F5 4.0Amp
TB 1
BN 2.5mm²
BK 1.5mm²
BK 2.5mm²
OG 2.5mm²
GY 2.5mm²
BK 2.5mm²
BK 2.5mm²
2.5mm²
2.5mm²
2.5mm²
1.5mm²
2.5mm²
S1
05-5D05-5D
YE 1.5mm²
RD 0.75mm²
WH 0.50mm²
BU 2.5mm²
VT 2.5mm²
1
J1
P1
WH 0.75
24 Vdc
-
+
-
+
WH 0.75mm²
P8
P10
TB3
P2
SSR1
TF1
YE
BN
BK
GY
OG
WHBU 2.5mm²
DKBU 2.5mm²
DKBU 2.5mm²
DKBU 2.5mm²
GNYE 2.5 mm²
GNYE 2.5 mm²
Ground pin 1
Pin connections Omron
B
A
6
5
3 4
2
1
E-Tray bottom
Ground pin 2
Bottom Headplate
backside
GNYE 2.5 mm²
LWB
supply
Splice plate
2
2
1
2
3
4
5
77
6
8
9
19
11
10
21
31
40
41
42
05-1A
05-1A
05-1A
05-1A
43
44
33
32
+
42
9
34
34
L
N
110 -240 Vac
1a
2a
10
8
18
17
16
17
18
16
15
15
13
14
13
14
45
35
12
45
35
11
10
BK 1.5mm²
OG 2.5mm²
GY 2.5mm²
7
6
24
NDR-120-24
10
2
2
36
46
19
20
21
22
21
GNYE 1.5 mm²
Q1032
04-2E
04-2E
B2
B1
+24Vdc
0 Vdc
+24Vdc
0 Vdc
06-1A
06-1A
04-2E
+24Vdc
WH 0.75mm²
WH 0,75mm²
GY 0,75mm²
RD 0.75mm²
RD 0.75mm²
WH 0.75mm²
04-2E
0 Vdc WH 0.75mm²
J1
P2
K
A
B
+
-
Thermo couple 1 Type K
Omron relay K2
Power controller heater SSR1
B5
B4
B3
WH
GN
BN
B2
B3
B4
B5
B6
WH
GY
GN
YE
BN
Buzzer
WH 0,5mm²
YE 0,5mm²
cable 6x 0,25mm²
cable 3x 0,25mm²
YE
BN
OG 0,5mm²
WH 0,5mm²
TB 4
P1
J1
VT 0,5mm²
WH 0,5mm²
V-
Input 0
Input 1
Input 2
Input 3
V-
RS485-B
RS485-A
Thermo couple +
Thermo couple -
Heater SSR +
Heater SSR -
S/P relay +
S/P relay -
Output 1
V-
Output 2
V-
V-
NC
V+
Power Controller
RD 0.75mm²
Fan M1
Fan M2
Fan M3
BK 0.25mm
RD 0.25mm
BK 0.25mm
RD 0.25mm
WH 0.75mm
GY 0.75mm
WH 0.75mm
GY 0.75mm
BK 0.25mm
RD 0.25mm
46
36
35
45
47
37
39
49
47
37
47
37
48
38
38
48
32
33
43
44
33
44
BK
RD
23
23
23
23
23
24
24
24
Schematics Lower Press 925

Related product manuals