EasyManua.ls Logo

NTI FTG 600 - Page 17

NTI FTG 600
88 pages
Print Icon
To Next Page IconTo Next Page
To Next Page IconTo Next Page
To Previous Page IconTo Previous Page
To Previous Page IconTo Previous Page
Loading...
FTG Installation & Operation Manual
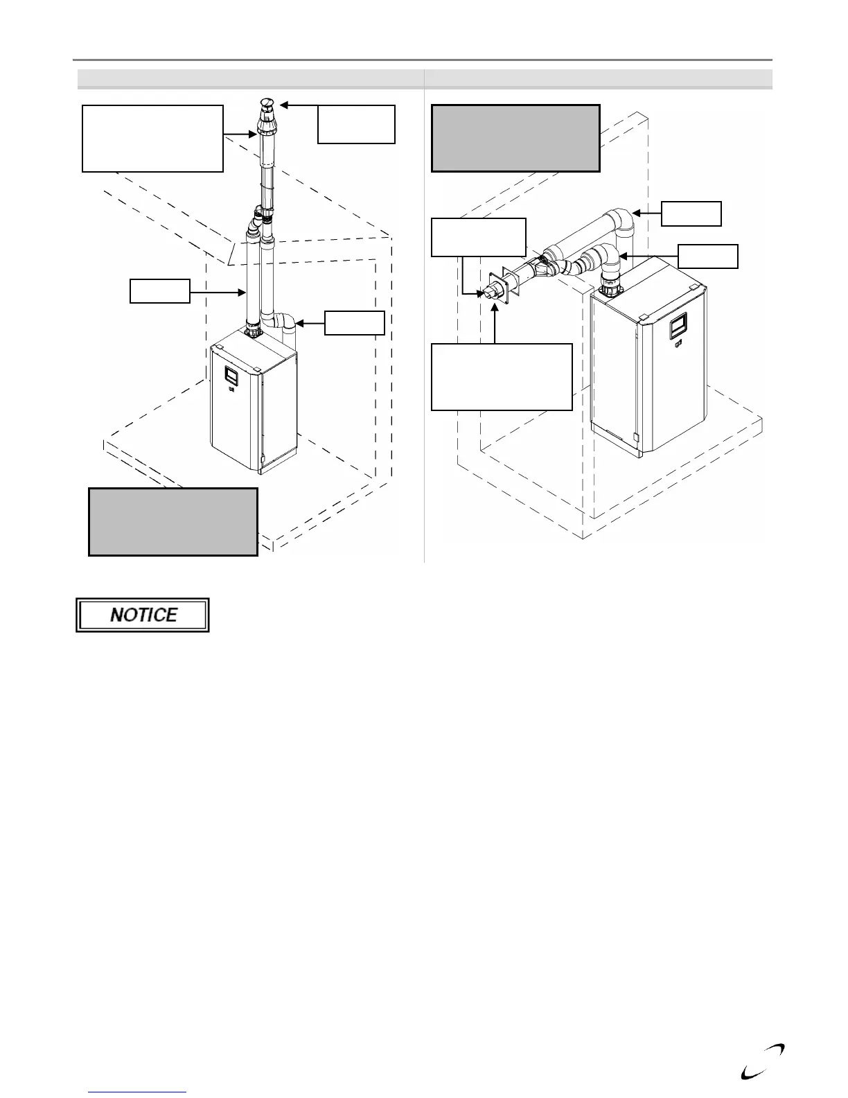
Figure 4-3(a) Concentric (Roof)
Figure 4-3(b) Concentric (Sidewall)
Concentric and Low Profile Vent Termination Kits are only available in sizes up to 4 in.;
therefore they are not an option for models FTG 1200-2400.
Refer to vent-teminal
manufacturer instructions
for correctly connecting
to vent-terminal
Combustion Air-inlet
drawn from bottom of
bell shape, min. 12in.
above snow level
Exhaust
exits the top
Exhaust
Air-inlet
Combustion Air-inlet
drawn from bottom or
circumference, min.
12in. above snow level
Exhaust
exits the center
Exhaust
Air-inlet
Refer to vent-teminal
manufacturer instructions
for correctly connecting
to vent-terminal

Other manuals for NTI FTG 600

Related product manuals