EasyManua.ls Logo

NTI FTV110 - WIRING SCHEMATICS

NTI FTV110
88 pages
Print Icon
To Next Page IconTo Next Page
To Next Page IconTo Next Page
To Previous Page IconTo Previous Page
To Previous Page IconTo Previous Page
Loading...
FTV I&O Manual Wiring Schematics
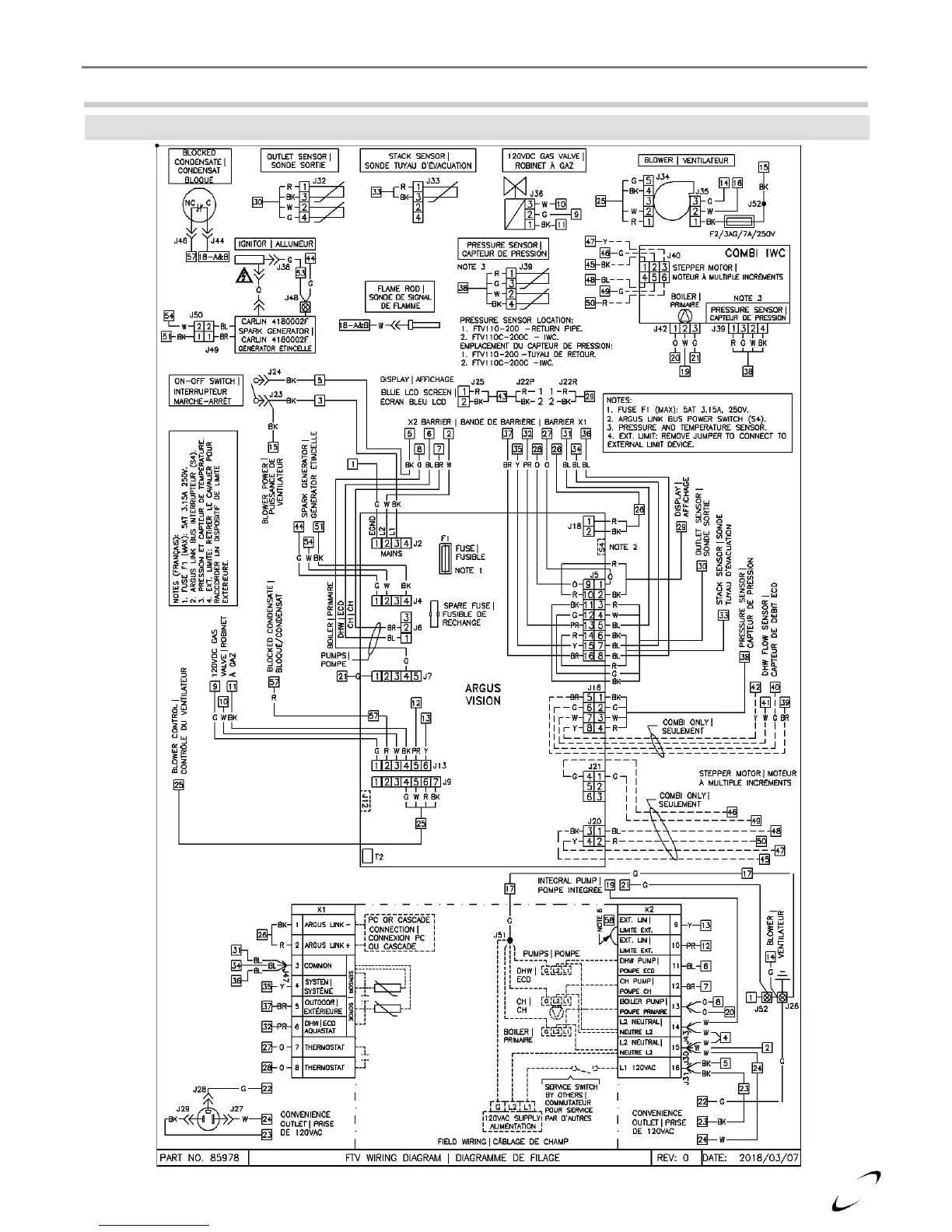
14.0 WIRING SCHEMATICS
Figure 14-1 FTV Connection Diagram

Table of Contents

Related product manuals