EasyManua.ls Logo

NTI VM110P - Page 44

Default Icon
80 pages
Print Icon
To Next Page IconTo Next Page
To Next Page IconTo Next Page
To Previous Page IconTo Previous Page
To Previous Page IconTo Previous Page
Loading...
Field Wiring Vmax I&O Manual
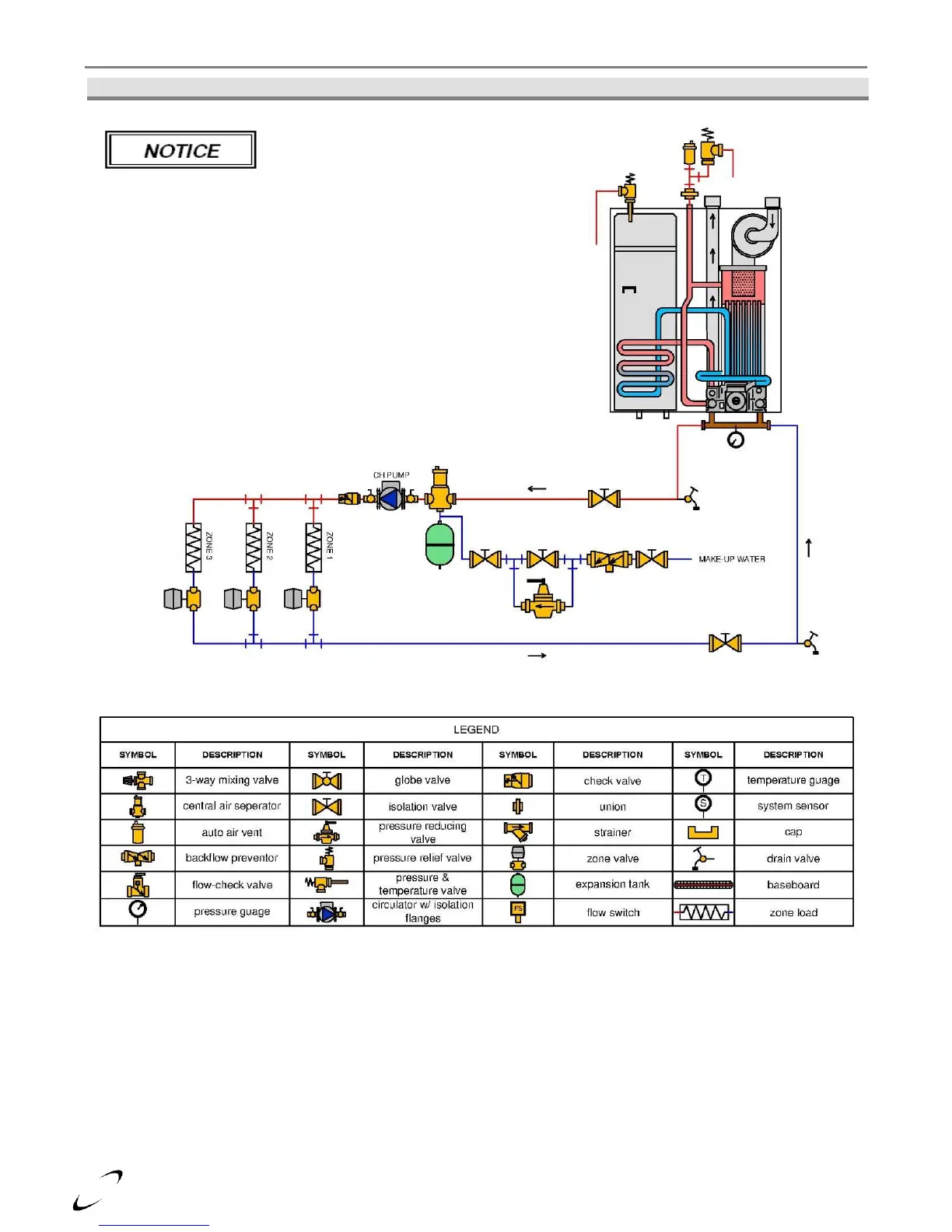
Figure 10-8 VM110P (Plus) Plumbing Schematic Single CH Pump
Figure illustrates the basic
plumbing requirements for
a VM110P boiler installation with a single Central
Heating circulator. Refer to Figures 10-3(a) and 10-
3(b) for boiler fitting identification.

Table of Contents

Related product manuals