EasyManua.ls Logo

Numan Drive - Page 27

Numan Drive
Print Icon
To Next Page IconTo Next Page
To Next Page IconTo Next Page
To Previous Page IconTo Previous Page
To Previous Page IconTo Previous Page
Loading...
27
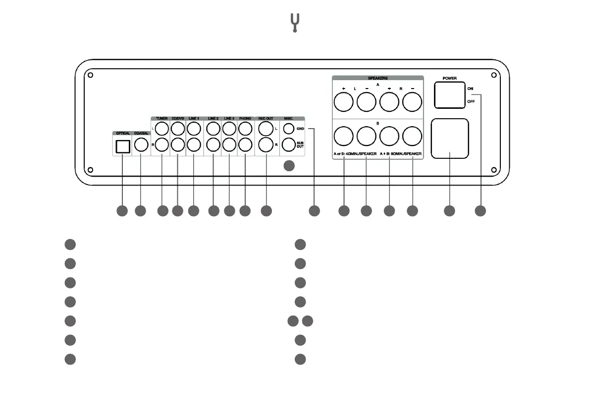
10
OPTICAL INPUT
17
PHONO INPUT
11
COAXIAL INPUT
18
RECORD OUTPUT
12
TUNER INPUT
19
SUBWOOFER OUTPUT
13
CD/DVD INPUT RCA INPUT
20
GROUND CONNECTOR
14
LINE 1 INPUT
21
-
24
Speaker terminals
15
LINE 2 INPUT
25
Electrical connection
16
LINE 3 INPUT
26
On/Off button
10 11 12 13 14 15 16 17 18
19
20 21 22 23 24 25 26