EasyManua.ls Logo

Numark C3 - Page 20

Numark C3
29 pages
Print Icon
To Next Page IconTo Next Page
To Next Page IconTo Next Page
To Previous Page IconTo Previous Page
To Previous Page IconTo Previous Page
Loading...
1 2 3 4
A
B
C
D
4321
D
C
B
A
Title
Number RevisionSize
A4
Date: 27-Feb-2003 Sheet of
File: E:\CM200\cm200_02.sch Drawn By:
3
2
1
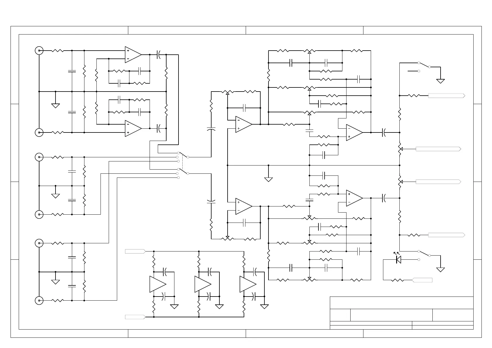
IC101A
NJM4558L
C105
822
C109
22/25
R107
8.2K
R105
150
R103
100K
R101
100
R111
47K
C107
273
R109
100K
C101
100P
J101A
PHONO1_L
5
6
7
IC101B
NJM4558L
C106
822
C110
22/25
R108 8.2K
R106
150R104
100K
R102
100
R112
47K
C108
273
R110
100K
C102
100P
J101B
PHONO1_R
R117
100K
R115
2.2K
C113
220P
J101C
CD1_L
R118
100K
R116
2.2K
C114
220P
J101D
CD1_R
R121
100K
R119
2.2K
C115
220P
J101E
LINE1_L
R122
100K
R120
2.2K
C116
220P
J101F
LINE1_R
S101
CH1 INPUT SEL.
+15V
-15V
C111
4716
C121
101
R129
1K
C123
472J
R141 22K
C119
10/25
R125
4.7K
R127
1.8K
R113
100
R143
1.5K
R145
2.7K
R147
33K
R149
1.5K
R151 4.7K
R131 27K
R133 1K
R137
30K
R135
2.7K
R139
5.1K
C129
154J
C131
154J
C133
100P
C125
123J
C127
103J
VR101A
CH1 GAIN
VR104A
BASS
VR102A
TREBLE
VR103A
MIDDLE
5
6
7
IC102B
NJM4558M
C122
101
R126
4.7K
R128
1.8K
VR101B
CH1 GAIN
3
2
1
IC102A
NJM4558M
C120
10/25
5
6
7
IC103B
NJM4558L
R130
1K
C124 472J
R142 22K
R144
1.5K
R146
2.7K
R148
33K
R150
1.5K
R152 4.7K
R132 27K
R134 1K
R138
30K
R136
2.7K
R140 5.1K
C130
154J
C132 154J
C134
100P
C126
123J
C128
103J
VR104B
BASS
VR102B
TREBLE
VR103B
MIDDLE
3
2
1
IC103A
NJM4558L
C135
10/25
C136
10/25
CH1_PREOUT_L
84
IC101C
NJM4558L
R114
100
C112
47/16
C137
47/16
R153
100
84
IC102C
NJM4558M
R154
100
C138
47/16
C139
47/16
R155
100
84
IC103C
NJM4558L
R156
100
C140
47/16
PHONO
CD
LINE
CM200 CH1 GAIN&EQ SCHEMATIC DIAGRAM
s.k.Hsu
LD101
GRN
R165
3.3K
S102A
CH1 PFL
-15V
R161
15K
R163
56K
CH1_PFL_L
VR105A
CH1 FADE
CH1_PREOUT_R
S102B
R162
15K
R164
56K
CH1_PFL_R
VR105B
2 11

Other manuals for Numark C3

Related product manuals