EasyManua.ls Logo

Numark C3 - Page 21

Numark C3
29 pages
Print Icon
To Next Page IconTo Next Page
To Next Page IconTo Next Page
To Previous Page IconTo Previous Page
To Previous Page IconTo Previous Page
Loading...
1 2 3 4
A
B
C
D
4321
D
C
B
A
Title
Number RevisionSize
A4
Date: 27-Feb-2003 Sheet of
File: E:\CM200\cm200_03.sch Drawn By:
3
2
1
IC201A
NJM4558L
C205
822
C209
22/25
R207
8.2K
R205
150
R203
100K
R201
100
R211
47K
C207
273
R209
100K
C201
100P
J201A
PHONO2_L
5
6
7
IC201B
NJM4558L
C206
822
C210
22/25
R208 8.2K
R206
150R204
100K
R202
100
R212
47K
C208
273
R210
100K
C202
100P
J201B
PHONO2_R
R217
100K
R215
2.2K
C213
220P
J201C
CD2_L
R218
100K
R216
2.2K
C214
220P
J201D
CD2_R
R221
100K
R219
2.2K
C215
220P
J201E
LINE2_L
R222
100K
R220
2.2K
C216
220P
J201F
LINE2_R
S201
CH2 INPUT SEL.
+15V
-15V
C211
4716
C221
101
R229
1K
C223
472J
R241 22K
C219
10/25
R225
4.7K
R227
1.8K
R213
100
R243
1.5K
R245
2.7K
R247
33K
R249
1.5K
R251 4.7K
R231 27K
R233 1K
R237
30K
R235
2.7K
R239
5.1K
C129
154J
C231
154J
C233
100P
C225
123J
C227
103J
VR201A
CH1 GAIN
VR204A
BASS
VR202A
TREBLE
VR203A
MIDDLE
5
6
7
IC202B
NJM4558M
C222
101
R226
4.7K
R228
1.8K
VR201B
CH1 GAIN
3
2
1
IC202A
NJM4558M
C220
10/25
5
6
7
IC203B
NJM4558L
R230
1K
C224 472J
R242 22K
R244
1.5K
R246
2.7K
R248 33K
R250
1.5K
R252 4.7K
R232 27K
R234 1K
R238
30K
R236
2.7K
R240 5.1K
C230
154J
C232 154J
C234
100P
C226
123J
C228
103J
VR204B
BASS
VR202B
TREBLE
VR203B
MIDDLE
3
2
1
IC203A
NJM4558L
C235
10/25
C236
10/25
CH2_PREOUT_L
84
IC201C
NJM4558L
R214
100
C212
47/16
C237
47/16
R253
100
84
IC202C
NJM4558M
R254
100
C238
47/16
C239
47/16
R255
100
84
IC203C
NJM4558L
R256
100
C240
47/16
PHONO
CD
LINE
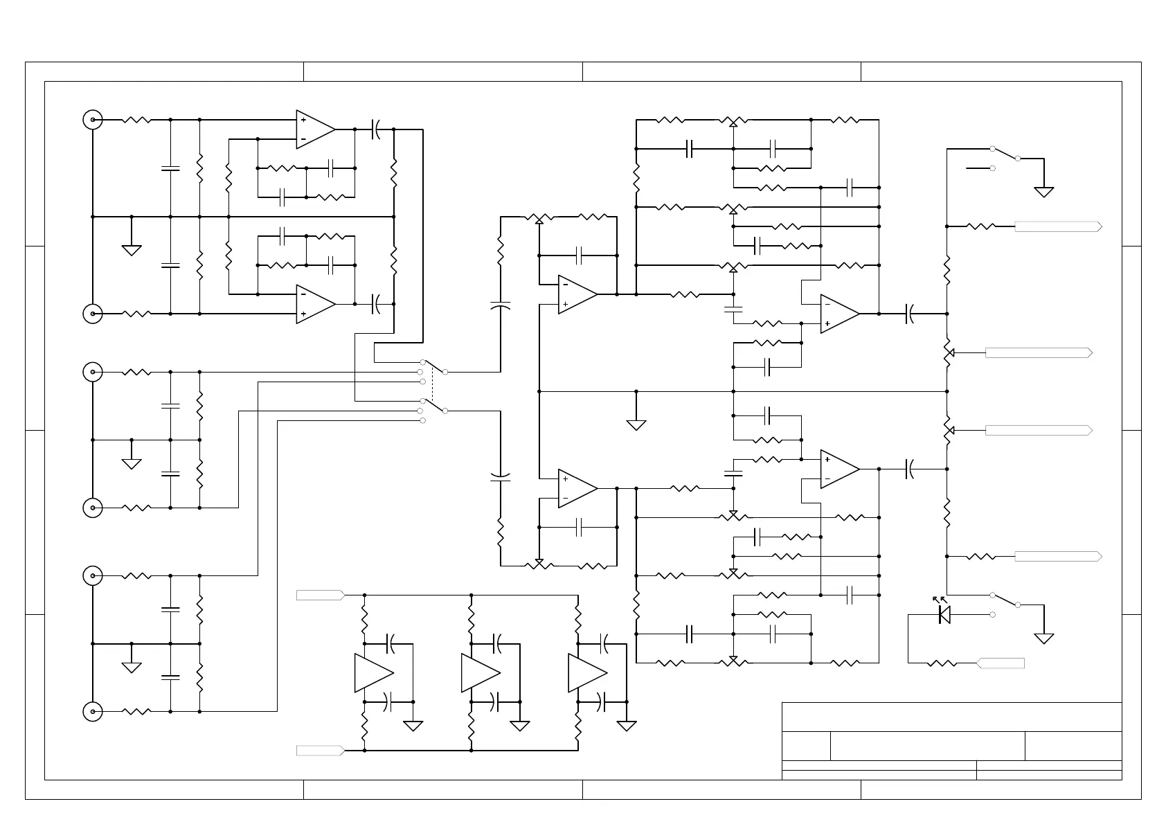
CM200 CH2 GAIN&EQ SCHEMATIC DIAGRAM
s.k.Hsu
LD201
GRN
R265
3.3K
S202A
CH2 PFL
-15V
R261
15K
R263
56K
CH2_PFL_L
VR205A
CH2 FADE
CH2_PREOUT_R
S202B
R262
15K
R264
56K
CH2_PFL_R
VR205B
3 11

Other manuals for Numark C3

Related product manuals