EasyManua.ls Logo

Numark C3 - Page 22

Numark C3
29 pages
Print Icon
To Next Page IconTo Next Page
To Next Page IconTo Next Page
To Previous Page IconTo Previous Page
To Previous Page IconTo Previous Page
Loading...
1 2 3 4
A
B
C
D
4
321
D
C
B
A
Title
Number RevisionSize
A4
Date: 27-Feb-2003 Sheet of
File: E:\CM200\cm200_04.sch Drawn By:
3
2
1
IC301A
NJM4558L
C305
822
C309
22/25
R307
8.2K
R305
150
R303
100K
R301
100
R311
47K
C307
273
R309
100K
C301
100P
J301A
PHONO3_L
5
6
7
IC301B
NJM4558L
C306
822
C310
22/25
R308 8.2K
R306
150
R304
100K
R302
100
R312
47K
C308
273
R310
100K
C302
100P
J301B
PHONO3_R
R317
100K
R315
2.2K
C313
220P
J301C
CD3_L
R318
100K
R316
2.2K
C314
220P
J301D
CD3_R
R321
100K
R319
2.2K
C315
220P
J301E
LINE3_L
R322
100K
R320
2.2K
C316
220P
J301F
LINE3_R
S301
CH3 INPUT SEL.
+15V
-15V
C311
4716
C321
101
R329
1K
C323
472J
R341 22K
C319
10/25
R325
4.7K
R327
1.8K
R313
100
R343
1.5K
R345
2.7K
R347
33K
R349
1.5K
R351 4.7K
R331 27K
R333 1K
R337
30K
R335
2.7K
R339
5.1K
C329
154J
C331
154J
C333
100P
C325
123J
C327
103J
VR301A
CH1 GAIN
VR304A
BASS
VR302A
TREBLE
VR303A
MIDDLE
5
6
7
IC302B
NJM4558M
C322
101
R326
4.7K
R328
1.8K
VR301B
CH1 GAIN
3
2
1
IC302A
NJM4558M
C320
10/25
5
6
7
IC303B
NJM4558L
R330
1K
C324 472J
R342 22K
R344
1.5K
R346
2.7K
R348
33K
R350
1.5K
R352 4.7K
R332 27K
R334 1K
R338
30K
R336
2.7K
R340 5.1K
C330
154J
C332 154J
C334
100P
C326
123J
C328
103J
VR304B
BASS
VR302B
TREBLE
VR303B
MIDDLE
3
2
1
IC303A
NJM4558L
C335
10/25
C336
10/25
CH3_PREOUT_L
84
IC301C
NJM4558L
R314
100
C312
47/16
C337
47/16
R353
100
84
IC302C
NJM4558M
R354
100
C338
47/16
C339
47/16
R355
100
84
IC303C
NJM4558L
R356
100
C340
47/16
PHONO
CD
LINE
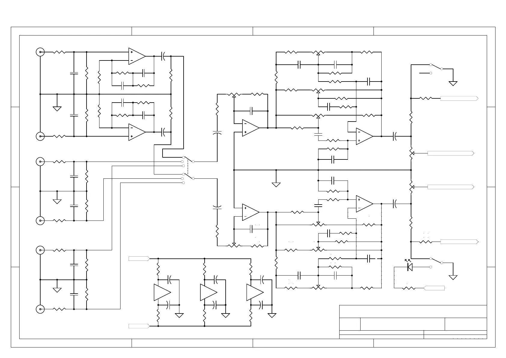
CM200 CH3 GAIN&EQ SCHEMATIC DIAGRAM
s.k.Hsu
LD301
GRN
R365
3.3K
S302A
CH3 PFL
-15V
R361
15K
R363
56K
CH3_PFL_L
VR305A
CH3 FADE
CH3_PREOUT_R
S302B
R362
15K
R364
56K
CH3_PFL_R
VR305B
4 11

Other manuals for Numark C3

Related product manuals