EasyManua.ls Logo

Numark C3 - Page 23

Numark C3
29 pages
Print Icon
To Next Page IconTo Next Page
To Next Page IconTo Next Page
To Previous Page IconTo Previous Page
To Previous Page IconTo Previous Page
Loading...
1 2 3 4
A
B
C
D
4
321
D
C
B
A
Title
Number RevisionSize
A4
Date: 27-Feb-2003 Sheet of
File: E:\CM200\cm200_05.sch Drawn By:
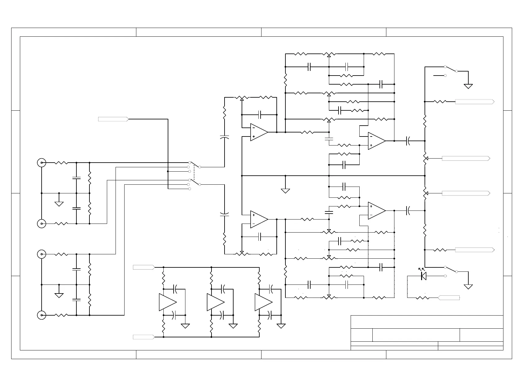
R417
100K
R415
2.2K
C413
220P
J401A
LINE A_L
R418
100K
R416
2.2K
C414
220P
J401B
LINE A_R
R421
100K
R419
2.2K
C415
220P
J401C
LINE B_L
R422
100K
R420
2.2K
C416
220P
J401D
LINE B_R
S401
CH4 INPUT SEL.
+15V
-15V
C411
4716
C421
101
R429
1K
C423
472J
R441 22K
C419
10/25
R425
4.7K
R427
1.8K
R413
100
R443
1.5K
R445
2.7K
R447
33K
R449
1.5K
R451 4.7K
R431 27K
R433 1K
R437
30K
R435
2.7K
R439
5.1K
C429
154J
C431
154J
C433
100P
C425
123J
C427
103J
VR401A
CH1 GAIN
VR404A
BASS
VR402A
TREBLE
VR403A
MIDDLE
5
6
7
IC402B
NJM4558M
C422
101
R426
4.7K
R428
1.8K
VR401B
CH1 GAIN
3
2
1
IC402A
NJM4558M
C420
10/25
5
6
7
IC403B
NJM4558L
R430
1K
C424 472J
R442 22K
R444
1.5K
R446
2.7K
R448
33K
R450
1.5K
R452 4.7K
R432 27K
R434 1K
R438
30K
R436
2.7K
R440 5.1K
C430
154J
C432 154J
C434
100P
C426
123J
C428
103J
VR404B
BASS
VR402B
TREBLE
VR403B
MIDDLE
3
2
1
IC403A
NJM4558L
C435
10/25
C436
10/25
CH4_PREOUT_L
84
IC401C
NJM4558L
R414
100
C412
47/16
C437
47/16
R453
100
84
IC402C
NJM4558M
R454
100
C438
47/16
C439
47/16
R455
100
84
IC403C
NJM4558L
R456
100
C440
47/16
LINE A
LINE B
MIC
CM200 CH4 GAIN&EQ SCHEMATIC DIAGRAM
s.k.Hsu
LD401
GRN
R465
3.3K
S402A
CH4 PFL
-15V
R461
15K
R463
56K
CH4_PFL_L
VR405A
CH4 FADE
CH4_PREOUT_R
S402B
R462
15K
R464
56K
CH4_PFL_R
VR405B
CH4_MIC
5 11

Other manuals for Numark C3

Related product manuals