EasyManua.ls Logo

Numark C3 - Specifications; Input and Output Specifications; Performance Metrics; Equalizer and Power Details

Numark C3
29 pages
Print Icon
To Next Page IconTo Next Page
To Next Page IconTo Next Page
To Previous Page IconTo Previous Page
To Previous Page IconTo Previous Page
Loading...
1 2 3 4
A
B
C
D
4321
D
C
B
A
Title
Number RevisionSize
A4
Date: 27-Feb-2003 Sheet of
File: E:\CM200\cm200_06.sch Drawn By:
R517
100K
R515
2.2K
C513
220P
J501A
LINE A_L
R518
100K
R516
2.2K
C514
220P
J501B
LINE A_R
R521
100K
R519
2.2K
C515
220P
J501C
LINE B_L
R522
100K
R520
2.2K
C516
220P
J501D
LINE B_R
S501
CH5 INPUT SEL.
+15V
-15V
C511
4716
C521
101
R529
1K
C523
472J
R541 22K
C519
10/25
R525
4.7K
R527
1.8K
R513
100
R543
1.5K
R545
2.7K
R547
33K
R549
1.5K
R551 4.7K
R531 27K
R533 1K
R537
30K
R535
2.7K
R539
5.1K
C529
154J
C531
154J
C533
100P
C525
123J
C527
103J
VR401A
CH1 GAIN
VR504A
BASS
VR502A
TREBLE
VR503A
MIDDLE
5
6
7
IC502B
NJM4558M
C522
101
R526
4.7K
R528
1.8K
VR501B
CH1 GAIN
3
2
1
IC502A
NJM4558M
C520
10/25
5
6
7
IC503B
NJM4558L
R530
1K
C524 472J
R542 22K
R544
1.5K
R546
2.7K
R548
33K
R550
1.5K
R552 4.7K
R532 27K
R534 1K
R538
30K
R536
2.7K
R540 5.1K
C530
154J
C532 154J
C534
100P
C526
123J
C528
103J
VR504B
BASS
VR502B
TREBLE
VR503B
MIDDLE
3
2
1
IC503A
NJM4558L
C535
10/25
C536
10/25
CH5_PREOUT_L
84
IC501C
NJM4558L
R514
100
C512
47/16
C537
47/16
R553
100
84
IC502C
NJM4558M
R554
100
C538
47/16
C539
47/16
R555
100
84
IC503C
NJM4558L
R556
100
C540
47/16
LINE A
LINE B
MIC
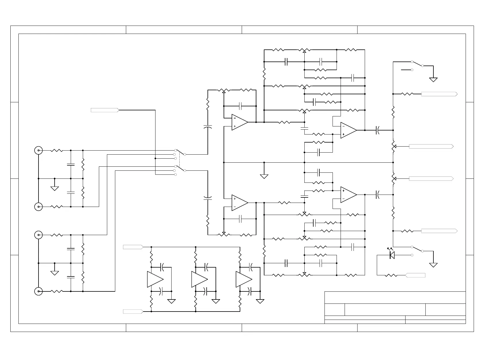
CM200 CH5 GAIN&EQ SCHEMATIC DIAGRAM
s.k.Hsu
LD501
GRN
R565
3.3K
S502A
CH5 PFL
-15V
R561
15K
R563
56K
CH5_PFL_L
VR505A
CH5 FADE
CH5_PREOUT_R
S502B
R562
15K
R564
56K
CH5_PFL_R
VR505B
CH5_MIC
6 11

Other manuals for Numark C3

Related product manuals