EasyManua.ls Logo

Numark C3 - Page 25

Numark C3
29 pages
Print Icon
To Next Page IconTo Next Page
To Next Page IconTo Next Page
To Previous Page IconTo Previous Page
To Previous Page IconTo Previous Page
Loading...
1 2 3 4
A
B
C
D
4321
D
C
B
A
Title
Number RevisionSize
A4
Date: 27-Feb-2003 Sheet of
File: E:\CM200\cm200_07a.sch Drawn By:
5
6
7
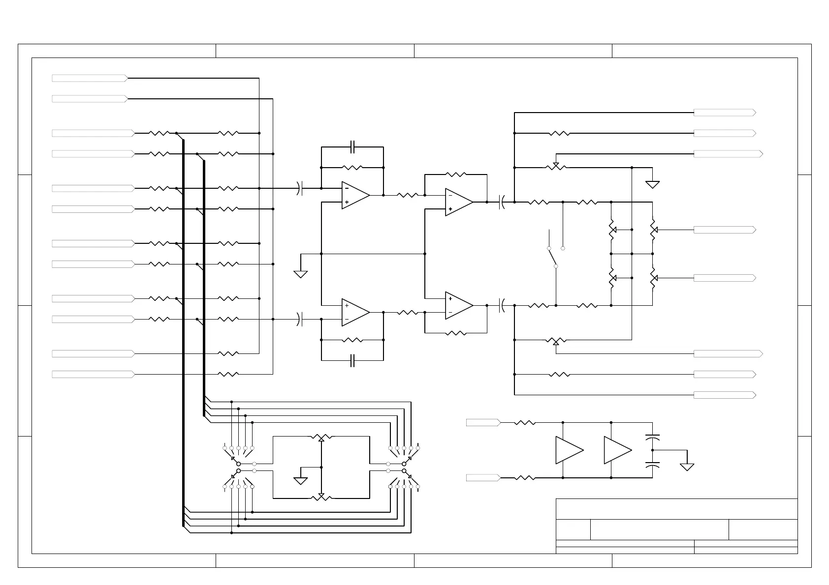
IC701B
NJM4558L
C703
47P
C705
22/25
R701
39K
C701
10/25
CH1 PRE_OUT_L
R167
22K
R169
22K
CH1 PRE_OUT_R
R168
22K
R170
22K
CH2 PRE_OUT_L
R267
22K
R269
22K
CH2 PRE_OUT_R
R268
22K
R270
22K
CH3 PRE_OUT_L
R367
22K
R369
22K
CH3 PRE_OUT_R
R368
22K
R370
22K
CH4 PRE_OUT_L
R467
22K
R469
22K
CH4 PRE_OUT_R
R468
22K
R470
22K
CH5 PRE_OUT_L
R569
47K
CH5 PRE_OUT_R
R570
47K
3
2
1
IC701A
NJM4558L
R705
10K
R703
10K
5
6
7
IC702B
NJM4558L
C704
47P
C706
22/25
R702
39K
C702
10/25
3
2
1
IC702A
NJM4558L
R706
10K
R704
10K
VR701A
CROSSFADE
S701
ASSIGN_LEFT
S702
ASSIGN_RIGHT
VR701B
DJ MIC OUT_L
DJ MIC OUT_R
1R
2R
3R
4R
4L
3L
2L
1L
R707
2.2K
VR703A
MASTER
VR703B
R708
2.2K
S703A
STEREO/MONO
VR702A
BALANCE
VR702B
MST AMP_L
MST AMP_R
VR704A
ZONE
VR704B
ZONE
R711
2.2K
R712
2.2K
REC OUT_L
ZONE AMP_L
REC OUT_R
ZONE AMP_R
CROSSFADE ASSIGN&CHANNEL MIXING SCHEMATIC DIAGRAM
PGM OUT_L
PGM OUT_R
s.k.Hsu
84
IC701C
NJM4558L
84
IC702C
NJM4558L
R713
47
R714
47
+15V
-15V
C707
47/16
C708
47/16
R709
3.3K
R710
3.3K
7 11

Other manuals for Numark C3

Related product manuals