EasyManua.ls Logo

Numark C3 - Page 26

Numark C3
29 pages
Print Icon
To Next Page IconTo Next Page
To Next Page IconTo Next Page
To Previous Page IconTo Previous Page
To Previous Page IconTo Previous Page
Loading...
1 2 3 4
A
B
C
D
4321
D
C
B
A
Title
Number RevisionSize
A4
Date: 27-Feb-2003 Sheet of
File: E:\CM200\cm200_08.sch Drawn By:
5
6
7
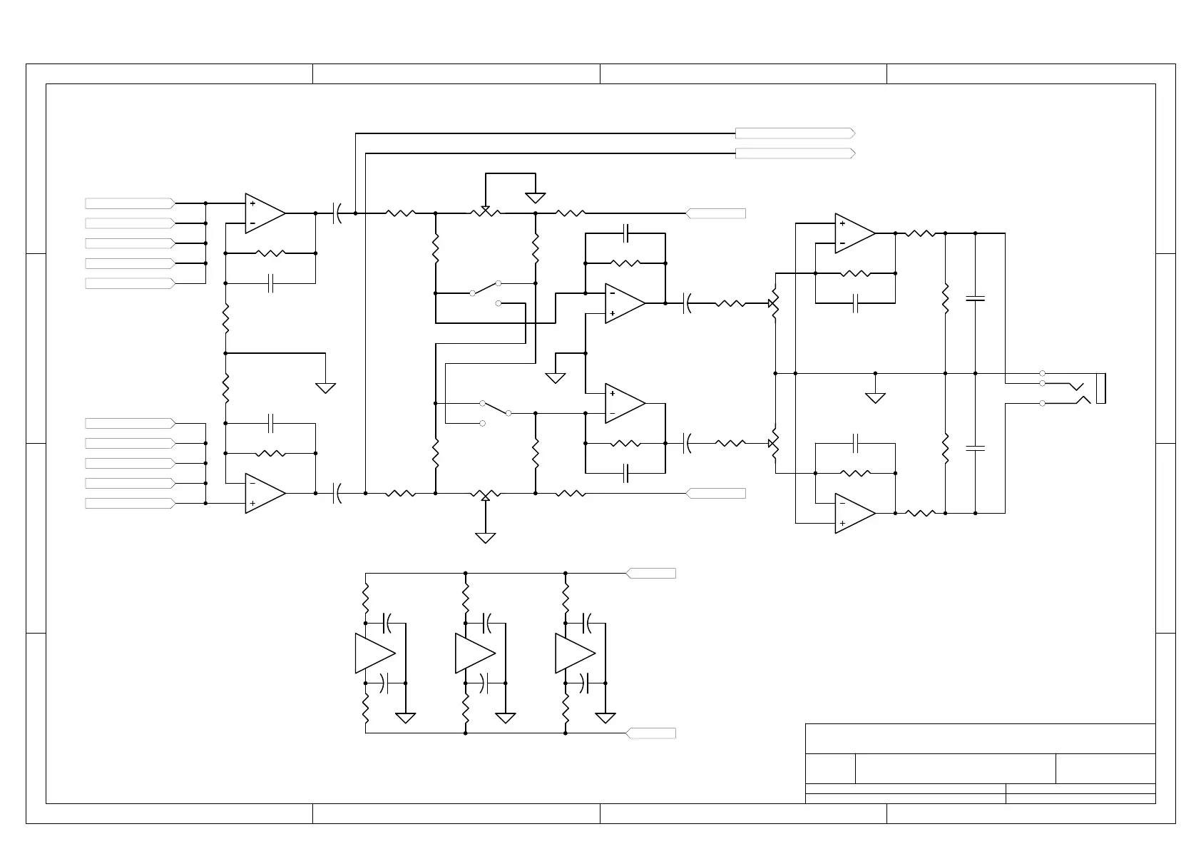
IC651B
NJM4558L
C651
100P
R657
22K
C653
22/25
R651
10K
R653
10K
CH1_PFL_L
CH2_PFL_L
CH3_PFL_L
CH4_PFL_L
CH5_PFL_L
3
2
1
IC651A
NJM4558L
C652
100P
R658
22K
C654
22/25
S651B
BLEND/SPLIT
VR651B
CUE/PGM
R652 10K
R654
10K
R660
22K
R662
22K
R664
22K
CH1_PFL_R
CH2_PFL_R
CH3_PFL_R
CH4_PFL_R
CH5_PFL_R
S651A
VR651A
CUE/PGM
R659
22K
R661
22K
R663
22K
PGM_L
PGM_R
PFL_DISPLAY_L
PFL_DISPLAY_L
5
6
7
IC652B
NJM4558L
C657
100P
R665
10K
3
2
1
IC652A
NJM4558L
C658
100P
R666
10K
R667
3.3K
C659
22/25
VR652A
CUE LEVEL
3
2
1
IC653A
NJM4556AL
C663
47P
R671
68K
R673
47
C665
222J
R675
1K
R668
3.3K
C660
22/25
VR652B
5
6
7
IC653B
NJM4556AL
C664
47P
R672 68K
R674
47
C666
222J
R676
1K
J651
HEADPHONE OUT
84
IC651C
NJM4558L
R655
100
R656
100
C655
47/16
C656
47/16
84
IC652C
NJM4558L
R669
100
R670
100
C661
47/16
C662
47/16
84
IC653C
NJM4556AL
R677
47
R678
47
C667
100/16
C668
100/16
+15V
-15V
CM200 HEADPHONE OUTPUT SCHEMATIC DIAGRAM
s.k.Hsu
8 11

Other manuals for Numark C3

Related product manuals