EasyManua.ls Logo

Numark C3 - Page 27

Numark C3
29 pages
Print Icon
To Next Page IconTo Next Page
To Next Page IconTo Next Page
To Previous Page IconTo Previous Page
To Previous Page IconTo Previous Page
Loading...
1 2 3 4
A
B
C
D
4321
D
C
B
A
Title
Number RevisionSize
A4
Date: 27-Feb-2003 Sheet of
File: E:\CM200\cm200_09.sch Drawn By:
5
6
7
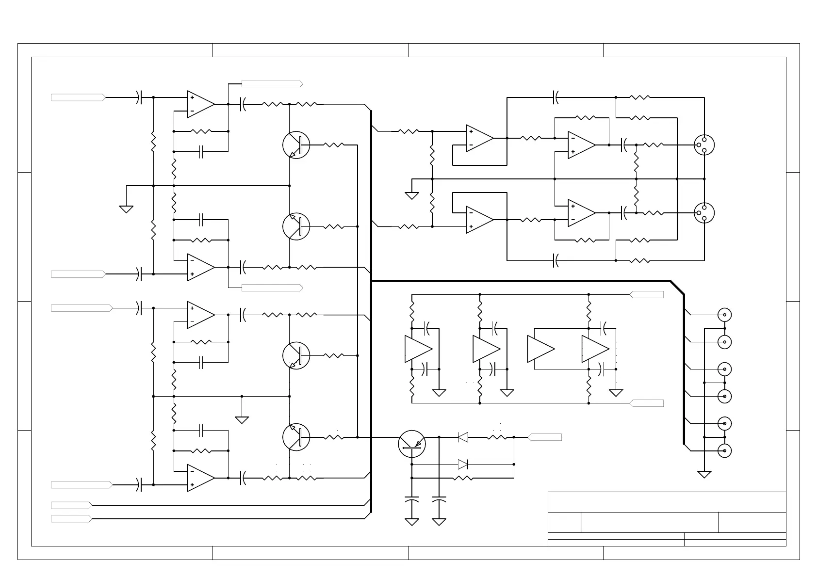
IC703B
NJM4558L
C713
100P
C715
22/25
R723
22K
R725
1.8K
MST_IN_L
R721
22K
C711
10/25
R727
330
R729
220
Q701
C2878GR
R731
4.7K
5
6
7
IC703B
NJM4558L
C714
100P
C716
22/25
R724 22K
R726
1.8K
ZONE_IN_R
R722
22K
C712
10/25
R728
330
R730
220
Q702
C2878GR
R732
4.7K
5
6
7
IC704B
NJM4558L
C721
100P
C723
22/25
R737
22K
R739
2.2K
ZONE_IN_L
R735
22K
C719
10/25
R741
330
R743
220
Q703
C2878GR
R745
4.7K
5
6
7
IC704B
NJM4558L
C722
100P
C724
22/25
R738 22K
R740
2.2K
MST_IN_R
R736
22K
C720
10/25
R742
330
R744
220
Q704
C2878GR
R746
4.7K
5
6
7
IC705B
NJM4558L
C727
22/25
R749
1K
R751
100K
R757
12K
3
2
1
IC705A
NJM4558L
R759
12K
R755
470
C729
22/25
R763
470
5
6
7
IC706B
NJM4558L
C728
22/25
R750
1K
R752
100K
R758
12K
3
2
1
IC706A
NJM4558L
R760
12K
R756
470
C730
22/25
R764 470
REC_L
REC_R
Q901
A1015GR
D907
1N4531
R902
100
C918
4.7/25 L.L
C917
220/16
D908
1N4531
R903
560K
+15V
84
IC703C
NJM4558L
R733
100
R734
100
C717
47/16
C718
47/16
84
IC704C
NJM4558L
R747
100
R748
100
C725
47/16
C726
47/16
84
IC706C
NJM4558L
R765
47
R766
47
C731
100/16
C732
100/16
+15V
-15V
CM200 OUTPUT STAGE SCHEMATIC DIAGRAM
s.k.Hsu
84
IC705C
NJM4558L
1 2
3
J703
BALANCE OUT_L
12
3 J704
BALANCE OUT_R
MST_LED_L
MST_LED_R
9 11
R754
47K
R761
47K
R762
47K
R753
47K
J701E
MASTER_L
J701F
MASTER_R
J701C
REC_L
J701D
REC_R
J701A
ZONE_L
J701B
ZONE_R

Other manuals for Numark C3

Related product manuals