EasyManua.ls Logo

Numark C3 - Page 28

Numark C3
29 pages
Print Icon
To Next Page IconTo Next Page
To Next Page IconTo Next Page
To Previous Page IconTo Previous Page
To Previous Page IconTo Previous Page
Loading...
1 2 3 4
A
B
C
D
4
321
D
C
B
A
Title
Number RevisionSize
A4
Date: 27-Feb-2003 Sheet of
File: E:\CM200\cm200_10a.sch Drawn By:
3
2
1
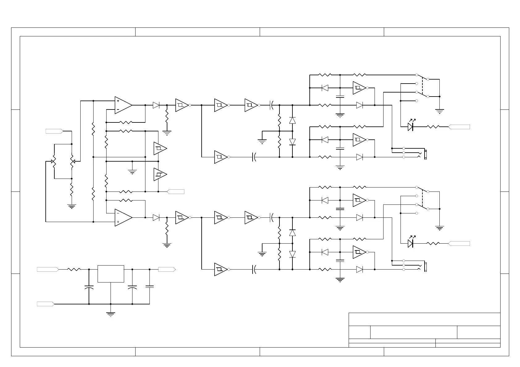
IC802A
NJM4558M
C801
4.7/25
R813
22K
D805
1N4531
+15V
IC803A
74HCT14
IC803D
74HCT14
IC803E
74HCT14
IC803C
74HCT14
IC803F
74HCT14
C805
473J
R809
1M
D801
1N4531
R811
1M
D803
1N4531
C803
4.7/25
R815
100
R817
10K
D807
1N4531
R819
22K
D809
1N4531
IC803B
74HCT14
C807
473J
R821
100
R823
10K
D811
1N4531
IC803G
74HCT14
S801
FADESTART ON/OFF
J801
FADESTART(A)
C802
4.7/25
R814
22K
D806
1N4531
IC804A
74HCT14
IC804D
74HCT14
IC804E
74HCT14
IC804C
74HCT14
IC804F
74HCT14
C806
473J
R810
1M
D802
1N4531
R812
1M
D804
1N4531
C804
4.7/25
R816
100
R818
10K
D808
1N4531
R820
22K
D810
1N4531
IC804B
74HCT14
C808
473J
R822
100
R824
10K
D812
1N4531
IC804G
74HCT14
S802
FADESTART ON/OFF
J802
FADESTART(B)
R803
560
R805
5.6K
R807 2.2K
R801
2.2K
5
6
7
IC802B
NJM4558M
R804
560
R806 5.6K
R808
2.2K
R802
2.2K
VR701C
100KB
VR701D
CROSSFADE
R827
510
Vin
GND
Vout
IC801
78L05
R828
39/1W
C809
100/16
C810
100/16
C811
104Z
GND
+5V
+5V
+5V
CM200 FADESTART SCHEMATIC DIAGRAM
s.k.Hsu
13
12 11 10 9
1 2
5 6
8
3 4
13
12 11 10 9
1 2
5 6
8
3 4
14
7
7
14
10 11
LD801
GRN
R825
3.3K
-15V
LD801
GRN
R826
3.3K
-15V
D813
1N4531
D814
1N4531
R829
22K
R830
22K

Other manuals for Numark C3

Related product manuals