EasyManua.ls Logo

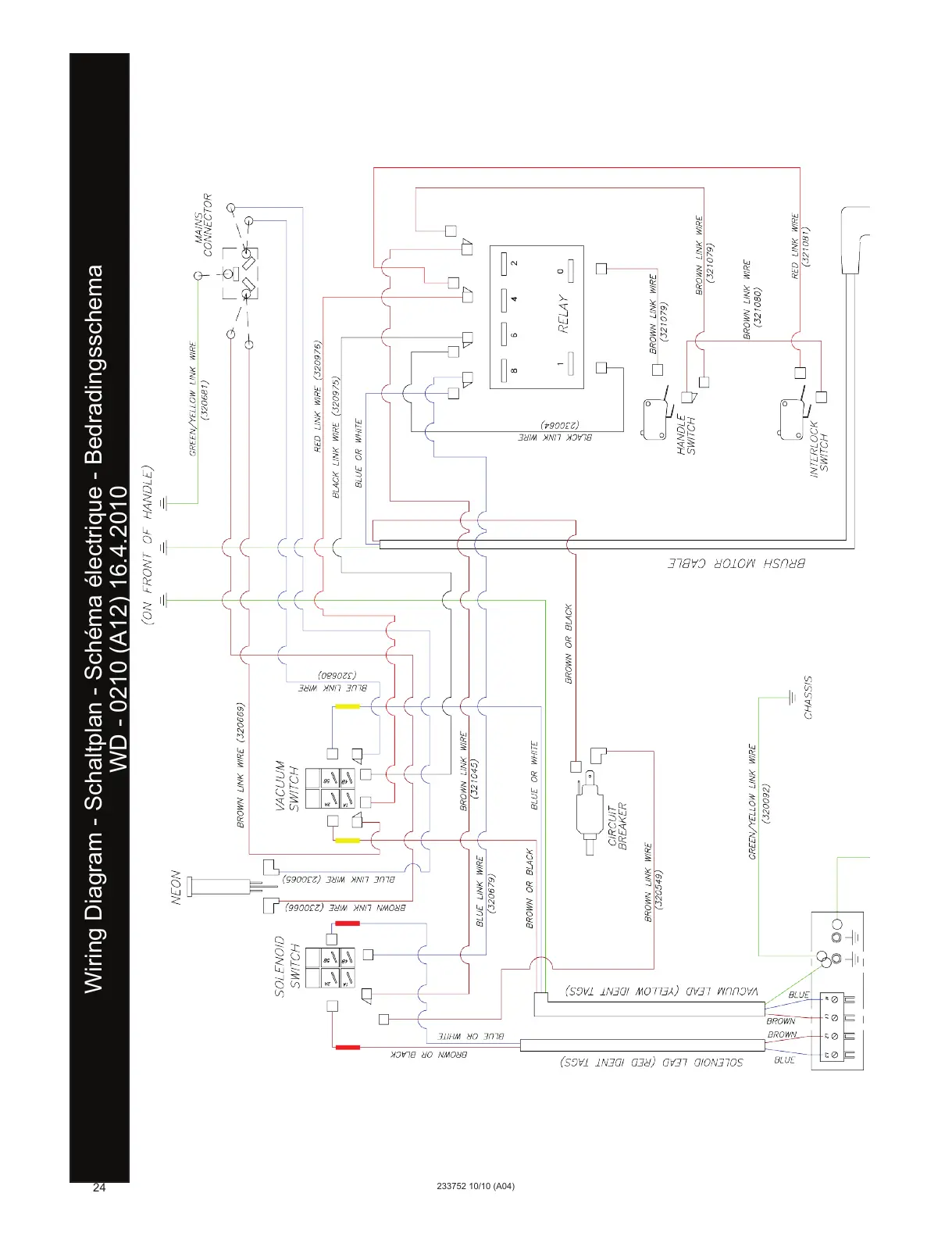
Numatic TT-4550S - Technical Diagrams; Wiring Diagram for Scrubber Drier

Numatic TT-4550S
28 pages
Print Icon
To Next Page IconTo Next Page
To Next Page IconTo Next Page
To Previous Page IconTo Previous Page
To Previous Page IconTo Previous Page
Loading...
233752 10/10 (A04)
24
Wiring Diagram - Schaltplan - Schéma électrique - Bedradingsschema
WD - 0210 (A12) 16.4.2010
All manuals and user guides at all-guides.com

Other manuals for Numatic TT-4550S

Related product manuals