EasyManua.ls Logo

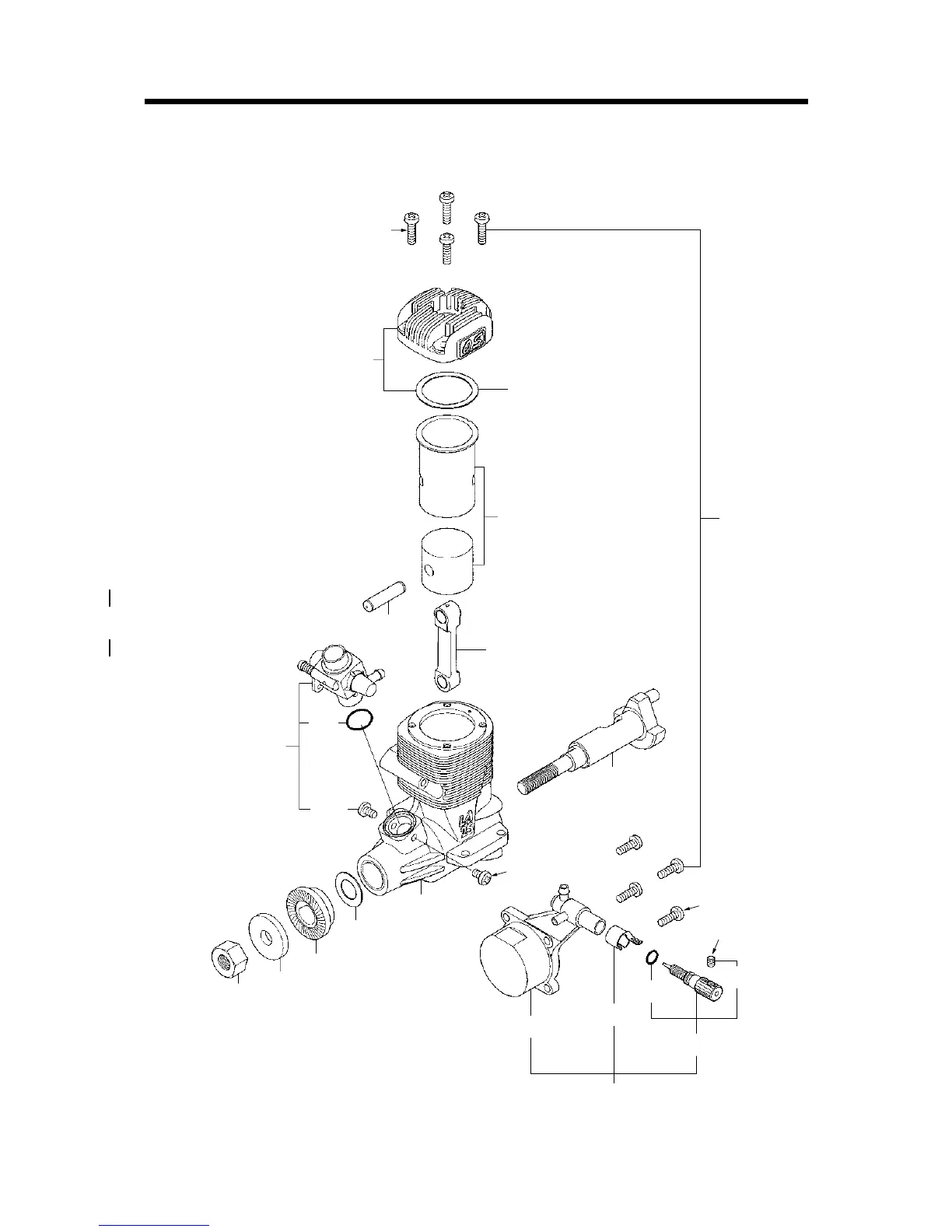
O.S. engine MAX-25LA - Exploded View: MAX-15 LA,25 LA Engines

O.S. engine MAX-25LA
38 pages
Print Icon
To Next Page IconTo Next Page
To Next Page IconTo Next Page
To Previous Page IconTo Previous Page
To Previous Page IconTo Previous Page
Loading...
Type of screw C
Cap Screw M
Oval Fillister-Head Screw
F
Flat Head Screw N
Round Head Screw S
Set Screw
w
q
=
-
0
5
4
3
1
2
5
-1
5
-2
=
-3
=
-5
=
-4
=
-2
=
-1
N.+M3X12(25LA)
N.+M3.5X5
B.+M2.6X8
S.3X3
M.+M2.6X10(15LA)
9
8
7
6
EXPLODED VIEW
(MAX-15LA,25LA)
32

Other manuals for O.S. engine MAX-25LA

Related product manuals