EasyManua.ls Logo

O.S. engine MAX-32SX - Engine Exploded Views & Engine Parts Lists 26

O.S. engine MAX-32SX
34 pages
Print Icon
To Next Page IconTo Next Page
To Next Page IconTo Next Page
To Previous Page IconTo Previous Page
To Previous Page IconTo Previous Page
Loading...
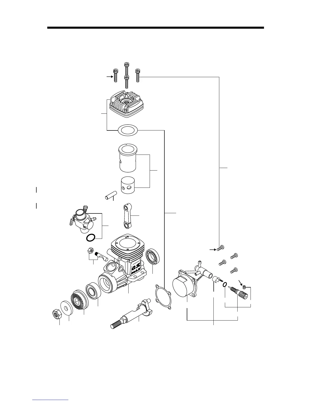
EXPLODED VIEW (15CV-A)
Type of screw
C
Cap Screw F
Flat Head Screw N
Round Head Screw S
Set Screw
1
2
3
4
5
6
7
8
9
0
-
=
q
w
e
r
C.M2.6x12
M.M2.6x8
e
-1
e
-2
e
-3
e
-4
e
-5
S.3x3
26

Related product manuals