EasyManua.ls Logo

Oasis PACSL - Page 8

Oasis PACSL
24 pages
Print Icon
To Next Page IconTo Next Page
To Next Page IconTo Next Page
To Previous Page IconTo Previous Page
To Previous Page IconTo Previous Page
Loading...
Oasis PWEBF: Versacooler
®
II Split Level Models with Hands-Free VersaFiller
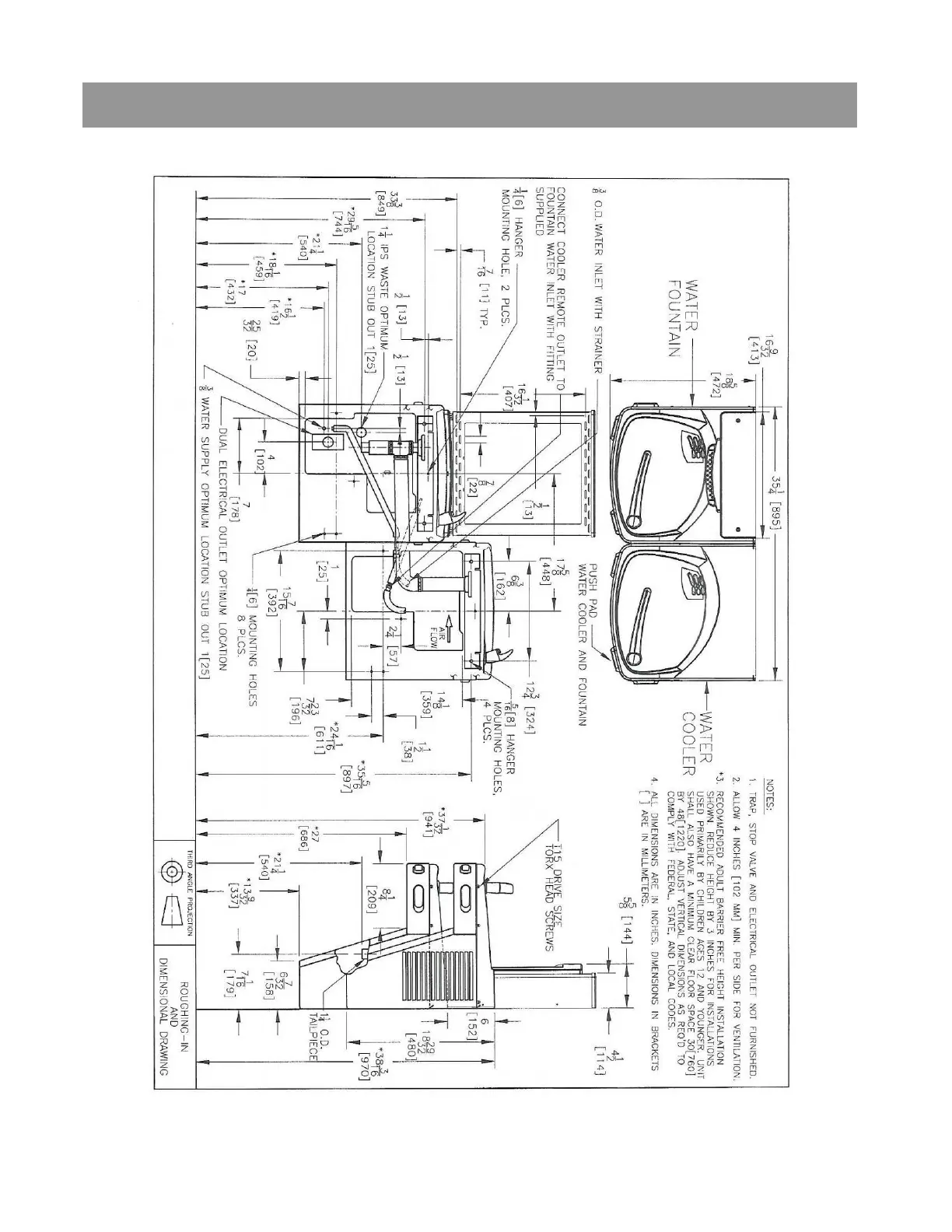
Section 2: Rough In Drawing
* On split level models, the VersaFiller must be mounted
on the low unit in order to meet ADA guidelines.

Other manuals for Oasis PACSL

Related product manuals