EasyManua.ls Logo

Obel Mito Base - Page 18

Obel Mito Base
Print Icon
To Next Page IconTo Next Page
To Next Page IconTo Next Page
To Previous Page IconTo Previous Page
To Previous Page IconTo Previous Page
Loading...
18
INSTALLAZIONE, USO E MANUTENZIONE
INSTALLATION USE AND MAINTENANCE
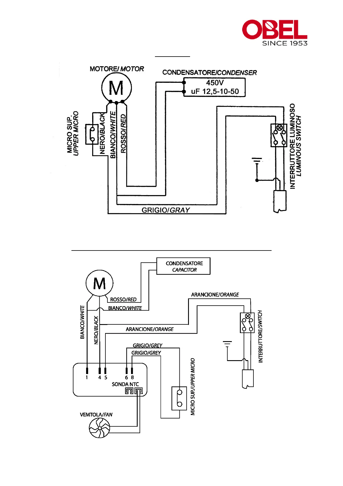
MITO ATR
MITO ATR PERFORMANCE e ATR MAXI PERFORMANCE e

Related product manuals