EasyManua.ls Logo

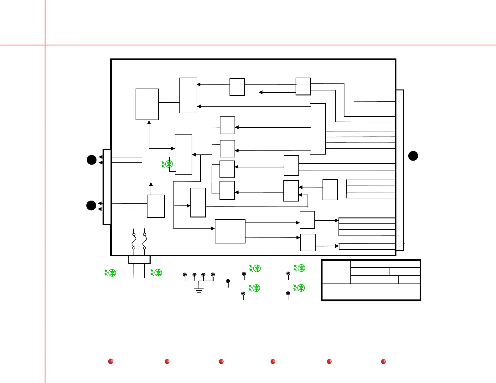
OEC UroView 2800 - kV Generation Functional Diagram - kV Control Board

Default Icon
91 pages
Print Icon
To Next Page IconTo Next Page
To Next Page IconTo Next Page
To Previous Page IconTo Previous Page
To Previous Page IconTo Previous Page
Loading...
OEC UroView
®
2800 Table/Generator Functional Block Diagrams
45
Service
Periodic Maintenance
Contents
Schematics
Illustrated Parts
Installation
Page 2 of 4
KV Control
Board
J4
TP1
kV Generation Functional Diagram
kV Control Board
28KV.DS4
07/01
2800
GE OEC Training
g
J1
IGBT_L_CMD_N
IGBT_L_CMD_P
IGBT_H_CMD_N
IGBT_H_CMD_P
GATE_PS_CMD_N
GATE_PS_CMD_P
DC_BUS_MEAS_N
DC_BUS_MEAS_P
I_INV_MEAS_N
I_INV_MEAS_P
ILP_MEAS_N
ILP_MEAS_P
+15V
CA_KV_N
AN_KV_P
CA_MA_P
KV_GND
CC_GND
J2
From Low Voltage
Power Supply (LVPS)
Main_-15V
Main_+15V
F1
F2
Main_-15V
Main_+15V
KV_GND
U71
FPGA
U70
Micro
Processor
U62
DSP
U13
U20
U35
U36
U37
SERIAL
A/D
ILR_MOY
(AVG SERIES RESONANT CURRENT)
_VCR
(RESONANT CAP VOLTAGE)
ILP
(PARALLEL RESONANT CURRENT)
U53
A/D
U51
A/D
U52
A/D
Q3-6
U11
Q2
U11
U10
U16
Q10
KV_MEAS
U42
EKV (KV ERROR)
U54
A/D
DSP_D
U1
U9
MA_MEAS
MAS_MEAS
1
2
SPI_MIS0
27
DSP_D
U47
D/A
27
27
27
PPC_BD
U18
U39
DC_BUS_MEAS
_GATE_PS_CMD
IGBT Drive Signals
DSP_D
DS8
3V3
TXD_EXT_CAN
RXD_EXT_CAN
1A
1B
3D
TP2 TP5
TP9
TP3
3.3V
DS2
TP4
-15V
DS5
TP6
+5V
DS3
TP7
+15V
DS7
TP8
1.8V
DS4
DS6
U61
U68
PPC
TX_RTL_6_IF
RX_RTL_6_IF
To
FPGA
U71
35
37
33
31
kV Generation Functional Diagram – kV Control Board