EasyManua.ls Logo

OEC UroView 2800 - Page 84

Default Icon
91 pages
Print Icon
To Next Page IconTo Next Page
To Next Page IconTo Next Page
To Previous Page IconTo Previous Page
To Previous Page IconTo Previous Page
Loading...
OEC UroView
®
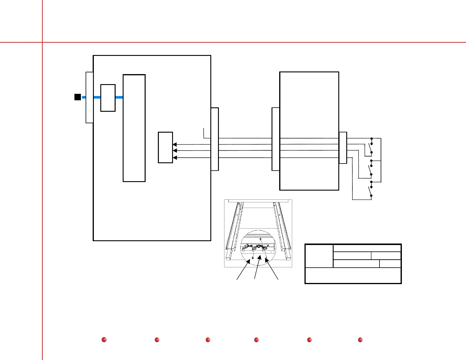
2800 Table/Generator Functional Block Diagrams
84
Service
Periodic Maintenance
Contents
Schematics
Illustrated Parts
Installation
Motron Board
1
g
Page 1 of 1
08/02
GE OEC Training
Uroview 2800
Accessory Switches
ACCSWITS.DS4
Microprocessor
CM509 Module
X3
IC14
IC30
IC4
IC2
Table Board-Digital
(under the table)
X4
1
2
3
4
2
21
22
23
S16
S17
S18
Accessory
Switches
+24V
ZUBH_OK
VERLAENG
MIKTION
Table
Extension
Micturation
Seat
Accessory
OK
X11
2
21
22
23
+24V
S16 S18 S17
Accessory Switches