EasyManua.ls Logo

Oki B431L6 - Page 40

Oki B431L6
184 pages
Print Icon
To Next Page IconTo Next Page
To Next Page IconTo Next Page
To Previous Page IconTo Previous Page
To Previous Page IconTo Previous Page
Loading...
Oki Data CONFIDENTIAL
3. Parts replacement
44983601TH Rev.1
3-13 /
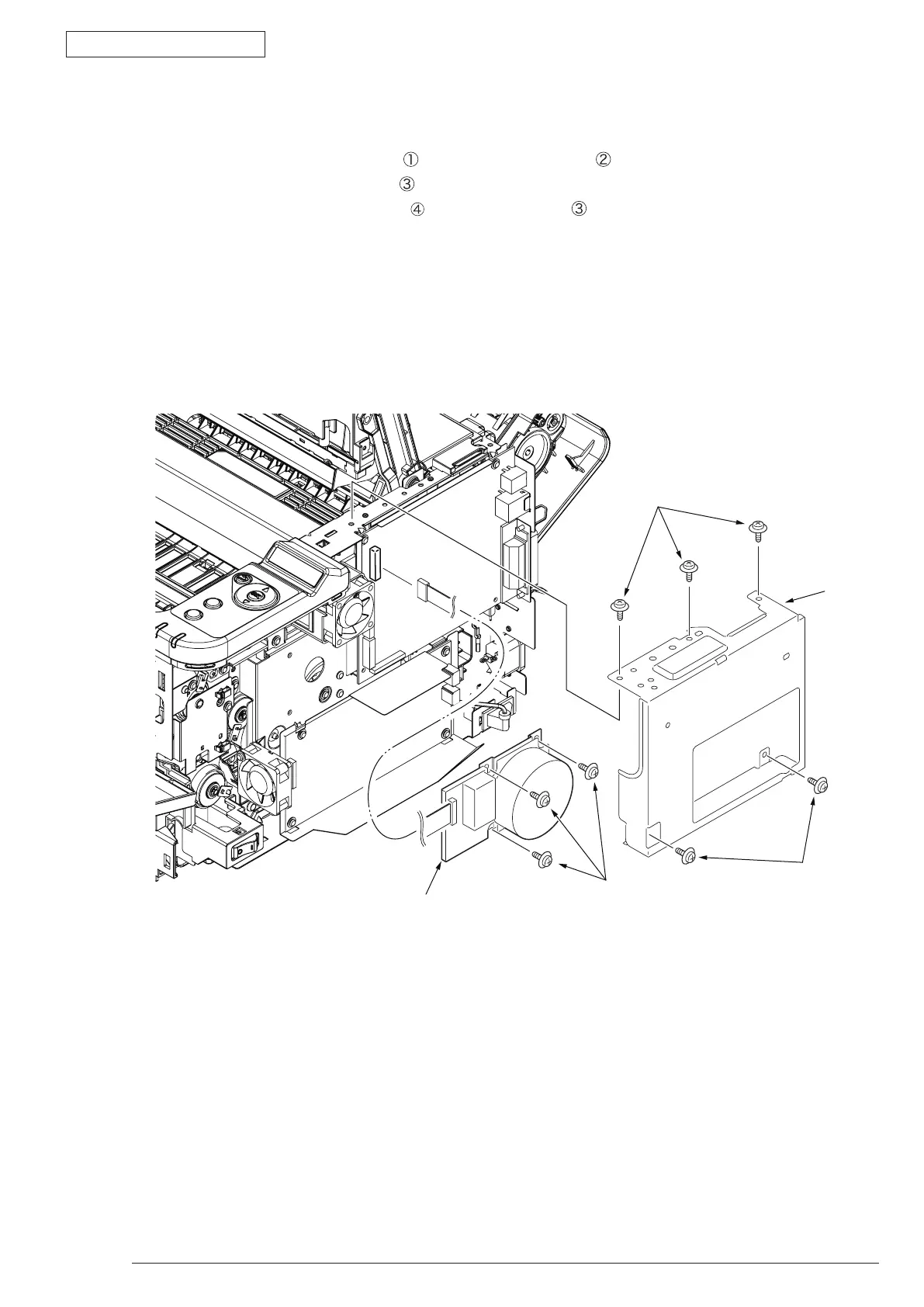
3.3.8 DC Motor
(1) Remove the Cover-Side-R. (Refer to 3.3.4)
(2) Remove the five screws (Silver)
. Remove the Plate-Shield .
(3) Remove the cable of DC Motor
from CU-board.
(4) Remove the three screws(Silver)
,remove the DC
Motor .
(5) Installing is performed by the inverse procedure with removing.
(Note on removing / installing)
1. Beware of not to touch the DC motor inattentively (Do not rotate motor).

Related product manuals