EasyManua.ls Logo

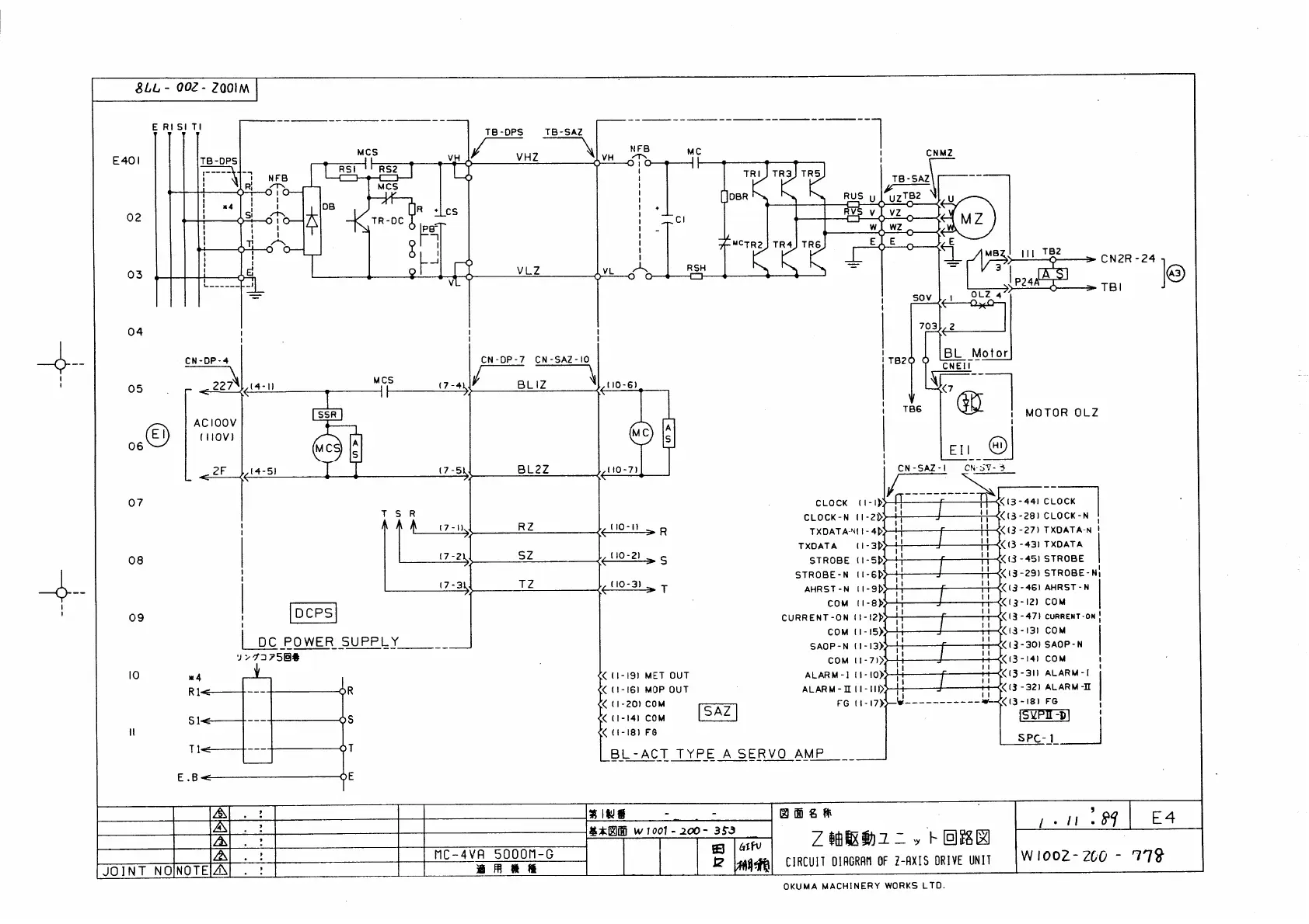
Okuma OSP 5020 - Circuit Diagram of Z-Axis Drive Unit

Okuma OSP 5020
286 pages
Print Icon
To Next Page IconTo Next Page
To Next Page IconTo Next Page
To Previous Page IconTo Previous Page
To Previous Page IconTo Previous Page
Loading...

Table of Contents

Related product manuals