EasyManua.ls Logo

Olimpia splendid Secco - Electrical Diagram and Component List; Electrical Diagram Components

Olimpia splendid Secco
74 pages
Print Icon
To Next Page IconTo Next Page
To Next Page IconTo Next Page
To Previous Page IconTo Previous Page
To Previous Page IconTo Previous Page
Loading...
GB
F
D
28
○○○○○○○○○○○○○○○○○○○○○○○○○○○○○○○○○○○○○○○○○○○○○○○○○○○○○○○○○○○○○○○○○○○○○○○○○○○○○○○○○○○○○○○○○○○○
○○○○○○○○○○○○○○○○○○○○○○○○○○○○○○○○○○○○○○○○○○○○○○○○○○○○○○○○○○○○○○○○○○○○○○○○○○○○○○○○○○○○○○○○○○○○
○○○○○○○○○○○○○○○○○○○○○○○○○○○○○○○○○○○○○○○○○○○○○○○○○○○○○○○○○○○○○○○○○○○○○○○○○○○○○○○○○○○○○○○○○○○○
I
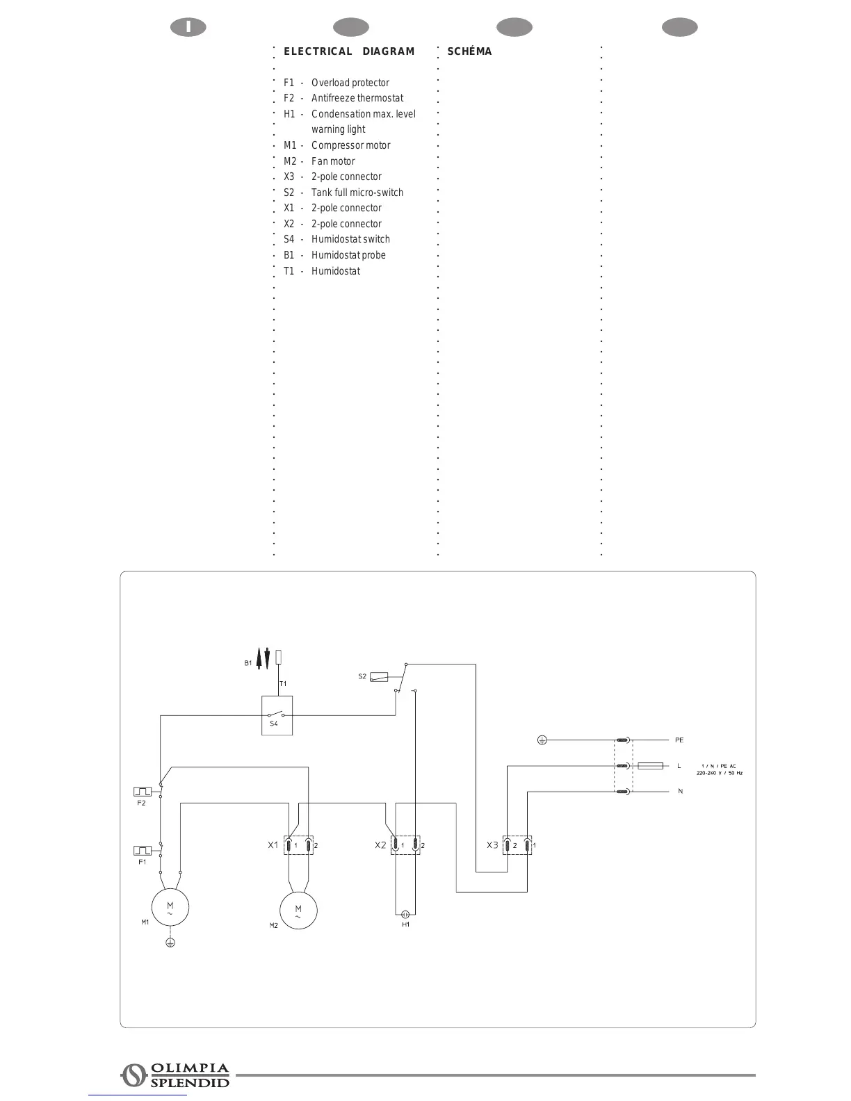
ELECTRICAL DIAGRAM
F1 - Overload protector
F2 - Antifreeze thermostat
H1 - Condensation max. level
warning light
M1 - Compressor motor
M2 - Fan motor
X3 - 2-pole connector
S2 - Tank full micro-switch
X1 - 2-pole connector
X2 - 2-pole connector
S4 - Humidostat switch
B1 - Humidostat probe
T1 - Humidostat
SCHÉMA ÉLECTRIQUE
F1 - Protection thermique du
compresseur
F2 - Thermostat anti-givre
H1 - Voyant lumineux
condensation maxi
M1 - Moteur du compresseur
M2 - Moteur du ventilateur
X3 - Connecteur 2 pôles
S2 - Micro-interrupteur réservoir
plein
X1 - Connecteur 2 pôles
X2 - Connecteur 2 pôles
S4 - Interrupteur de l'humidostat
B1 - Capteur de l'humidostat
T1 - Humidostat
ELEKTROSCHALTPLAN
F1 - Kompressor-Thermoschutz
F2 - Thermostat zur Vermeidung
von Reifbildung
H1 - Kontrolllampe maximaler
Kondenswasserstand
M1 - Kompressormotor
M2 - Ventilator-Motor
X3 - 2-Pol-Anschluss
S2 - Mikroschalter Behälter voll
X1 - 2-Pol-Anschluss
X2 - 2-Pol-Anschluss
S4 - Schalter
Feuchtigkeitsmesser
B1 - Sonde Feuchtigkeitsmesser
T1 - Feuchtigkeitsmesser
SCHEMA ELETTRICO
F1 - Protettore termico
compressore
F2 - Termostato antibrinamento
H1 - Spia luminosa livello max.
condensa
M1 - Motore compressore
M2 - Motore ventilatore
X3 - Connettore 2 poli
S2 - Microinterruttore tanica
piena
X1 - Connettore 2 poli
X2 - Connettore 2 poli
S4 - Interruttore umidostato
B1 - Sonda umidostato
T1 - Umidostato

Related product manuals