EasyManua.ls Logo

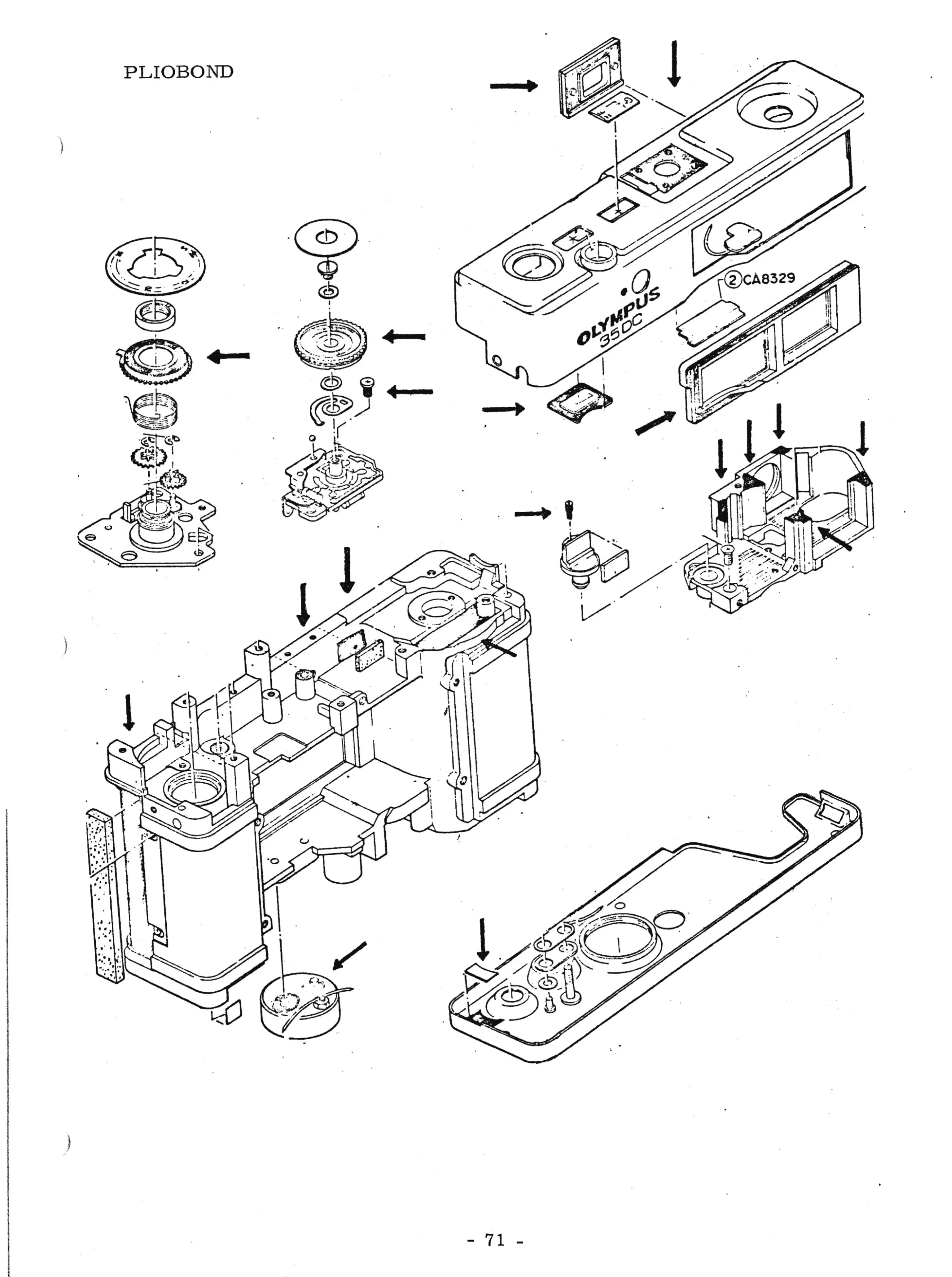
Olympus 35 DC - Pliobond Diagram

Olympus 35 DC
79 pages
Print Icon
To Next Page IconTo Next Page
To Next Page IconTo Next Page
To Previous Page IconTo Previous Page
To Previous Page IconTo Previous Page
Loading...

Table of Contents

Related product manuals