EasyManua.ls Logo

OMA 537 - Hydraulic Connection

Default Icon
19 pages
Print Icon
To Next Page IconTo Next Page
To Next Page IconTo Next Page
To Previous Page IconTo Previous Page
To Previous Page IconTo Previous Page
Loading...
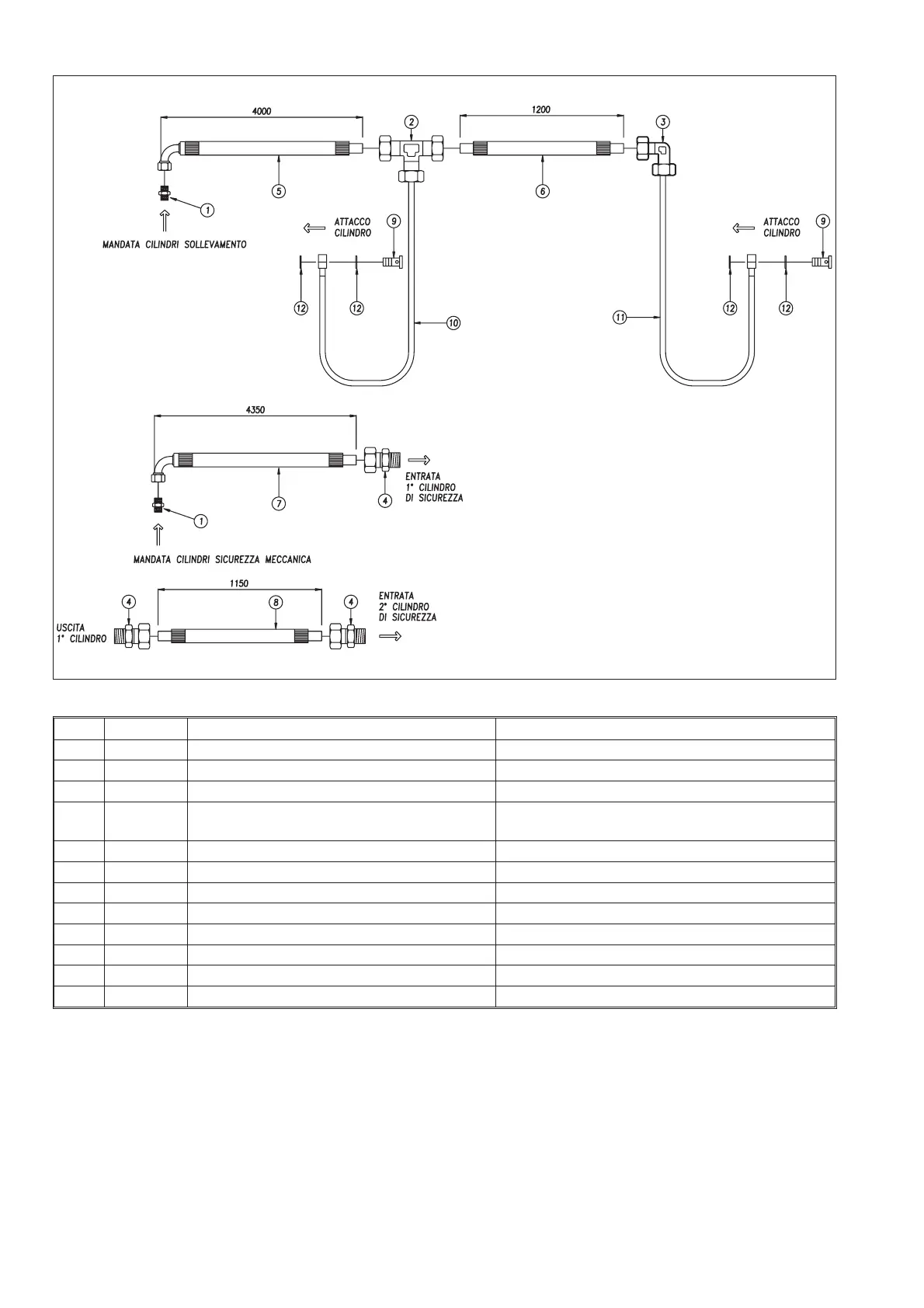
COLLEGAMENTI IDRAULICI HYDRAULIC CONNECTION
8
TO LIFTING CYLINDERS
CYLINDER
CONNECTION
CYLINDER
CONNECTION
TO MECHANICAL SECURITY
1st SAFETY
CYLINDER INLET
2nd SAFETY
CYLINDER INLET
1st SAFETY
CYLINDER OUTLET
Pos. Code Descrizione Description
1 B3081 NIPLO GIUNZIONE 1/4 NIPPLE 1/4
2 R0731 RACCORDO "T" x TUBO Ø8 "T" FITTING PIPE Ø8
3 R0730 RACCORDO "L" A GOMITO x TUBO Ø8 "L" FITTING PIPE Ø8
4 R0729 RACCORDO 1/8 GAS CON
GUARNIZIONE
1/8 GAS FITTING WITH GASKET
5 R0736 TUBO 1/4" R2T06 L=4000mm PIPE 1/4" R2T06 L=4000mm
6 R0735 TUBO 1/4" R2T06 L=1200mm PIPE 1/4" R2T06 L=1200mm
7 R0734 TUBO 1/4" R1T06 L=4350 mm PIPE 1/4" R1T06 L=4350 mm
8 R0733 TUBO 1/4" R1T06 L=1150mm PIPE 1/4" R1T06 L=1150mm
9 R0765 RACCORDO FORATO METRICO M12x1,5 FITTING M12x1,5
10 R0727 TUBO BONDERIZZATO 8x1,5 SX BONDERIZED PIPE 8x1,5 SX
11 R0726 TUBO BONDERIZZATO 8x1,5 DX BONDERIZED PIPE 8x1,5 DX
12 R2205 RONDELLA RAME Ø12x18x1,5 COPPER WASHER Ø12x18x1,5

Related product manuals