EasyManua.ls Logo

OMA 537 - Electrical Schematics; 400 V Three-Phase Electric Schematic; 230 V Three-Phase Electric Schematic

Default Icon
19 pages
Print Icon
To Next Page IconTo Next Page
To Next Page IconTo Next Page
To Previous Page IconTo Previous Page
To Previous Page IconTo Previous Page
Loading...
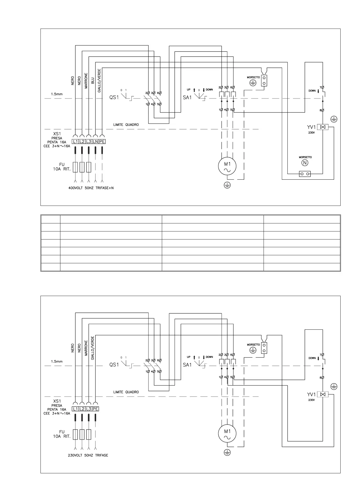
SCHEMA ELETTRICO 400V TRIFASE
SCHEMA ELETTRICO 230V TRIFASE
400V TREEPHASE ELECTRIC DIAGRAM
230V TREEPHASE ELECTRIC DIAGRAM
9
BLACK
BLACK
BROWN
BLUE
YEL-
CONTROL PANEL
LIMIT
TERMINAL
TERMINAL
Ref. Descrizione Description Modello/brand
FU PORTA FUSIBILE (NON FORNITO) FUSE CARRIER (NOT SUPPLIED) 4x10A RIT.
QS1 INTERRUTTORE GENERALE MASTER SWITCH 7GN201OU7551
SA1 COMMUTATORE SALITA/DISCESA LIFT/DESCENT SWITCH 7GN207301U51
XS1 PRESA DI LINEA POWER CONNECTION CEE 3PH+N 16A
YV1 ELETTROVALVOLA SOLENOID VALVE 230V 50Hz
MI MOTORE ELETTRICO ELECTRICAL MOTOR 3KW 400V
BLACK
BLACK
BROWN
YEL-
CONTROL PANEL
LIMIT
TERMINAL

Related product manuals