EasyManua.ls Logo

Omega k9 mundial ssx - Door Locking Systems; Negative Trigger System; Positive Trigger System; 5 Wire Reversal (Rest at ground)

Omega k9 mundial ssx
14 pages
To Previous Page IconTo Previous Page
To Previous Page IconTo Previous Page
Loading...
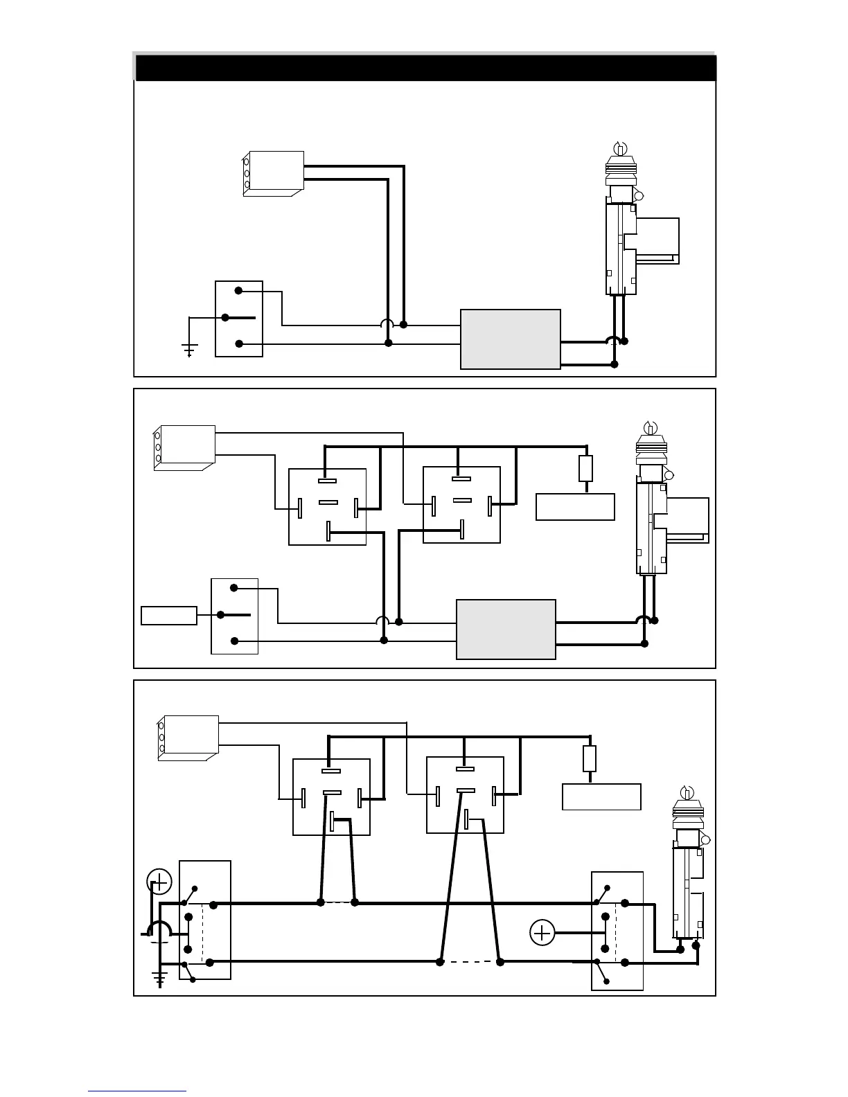
Negative Trigger System / Sistema Negativo:
Doorlock Switch
Ground
Vehicle's Doorlock
Relay Control Unit
Lock
Unlock
Lock wire /
Cable de cierre
Unlock wire/ Cable de Apertura
+
Doorlock
Actuators
5 Wire Reversal (Rest at ground): Cambio de Polaridad:
Positive Trigger System / Sistema Positivo:
Doorlock Switch
(+) 12 Volts
Vehicle's Doorlock
Relay Control Unit
Lock
Unlock
Lock wire /
Cable de cierre
Unlock wire/ Cable de Apertura
+
Doorlock
Actuators
(+)12 Volts
Unlock
Unlock
Passenger
Doorlock Switch
Driver
Doorlock
Switch
- Lock wire "Switch" side.
-cable de Cierre, lado del switch
-Lock wire "Motor" side.
-cable de Cierre, lado Motor
Cut both Lock and
Unlock wires in car
- Unlock wire "Switch" side.
-cable de Apertura, lado del switch
Lock
Lock
- Ground
- Unlock wire "Motor" side.
-cable de Apertura, lado Motor
Green
Blue
Fuse
30
87
87a
30
87
87a
Green
Blue
Lock Relay
Unlock Relay
Fuse
30
87
87a
30
87
87a
Green
Blue
Lock Relay
Unlock Relay
(+)12 Volts
Door Locking Systems / Sistemas De Cierre
OMEGA REMOTE STARTERS
CAR SECURITY SYSTEM

Related product manuals