EasyManua.ls Logo

Omega RS-6 - Page 14

Omega RS-6
28 pages
To Next Page IconTo Next Page
To Next Page IconTo Next Page
To Previous Page IconTo Previous Page
To Previous Page IconTo Previous Page
Loading...
12345678901
12345678901
12345678901
12345678901
12345678901
12345678901
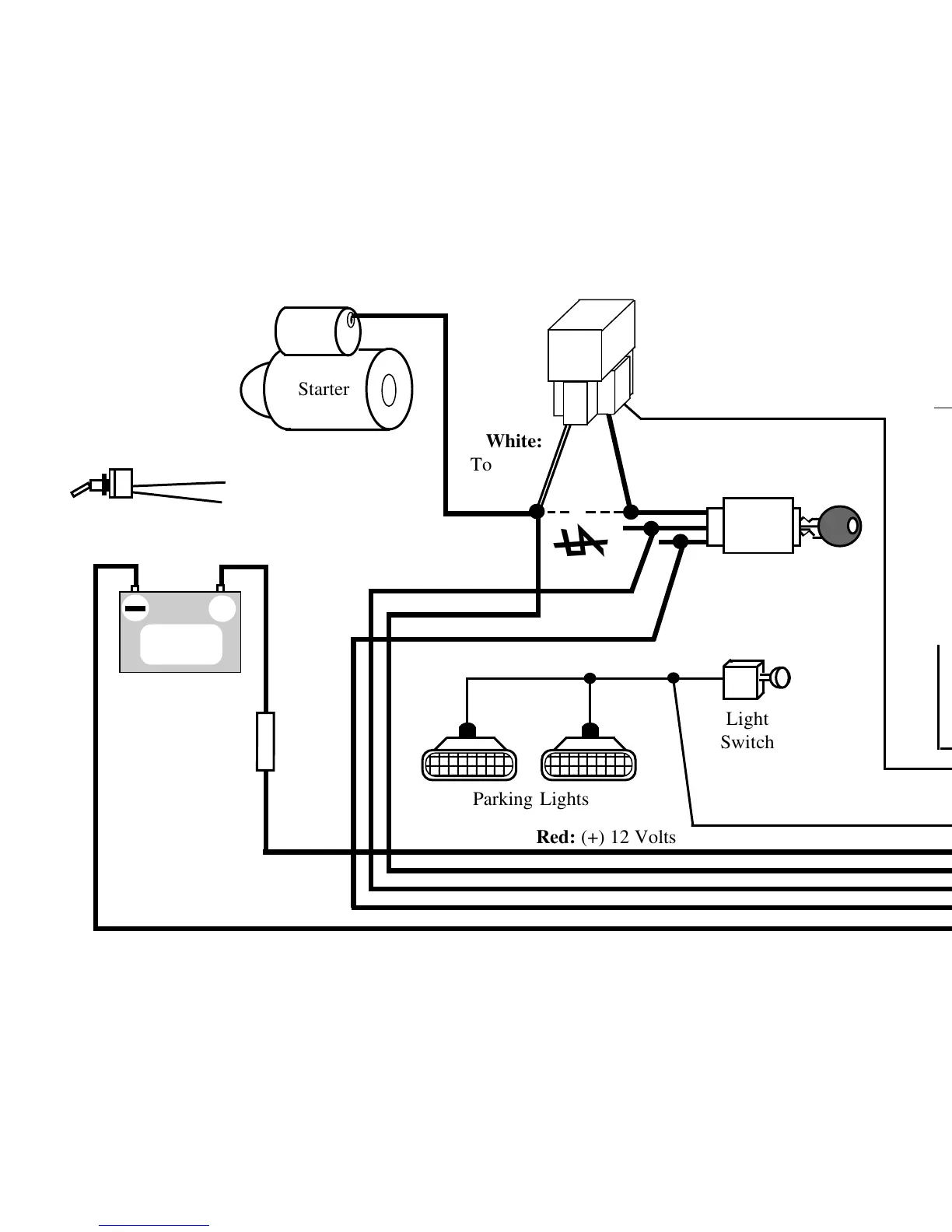
Red: (+) 12 Volts
Parking Lights
Starter
Light
Switch
$
White:
To Starter
Red: To
Ignition
Switch
Relay
Switch
Ignition
OPTIONAL
AU-SOCKET &
SPDT RELAY FOR
ANTI-GRIND FEATURE
White: (+) Parking
Light Output
Green:
Starter (+)
Yellow: Ignition #2 (+)
Blue:
Ignition #1 (+)
Input/Output
Orange: (-) Output When
Activated
Black: (-) Ground
30 Amp
Battery
Viole
(+) Doo
VALET SWITCH
See page 24

Related product manuals