EasyManua.ls Logo

Omron 3G3M1-A4030-ECT - Page 123

Omron 3G3M1-A4030-ECT
808 pages
To Next Page IconTo Next Page
To Next Page IconTo Next Page
To Previous Page IconTo Previous Page
To Previous Page IconTo Previous Page
Loading...
As a measure against harmonic distortion, an AC/DC reactor or harmonic suppression equip-
ment is required.
Avoid placing noise-generating cables (such as power cables and motor cables of the inverter) in
parallel with signal cables and allow a clearance of at least 25 cm between them.
If you cannot avoid crossing two types of cables, keep them at right angles to each other
.
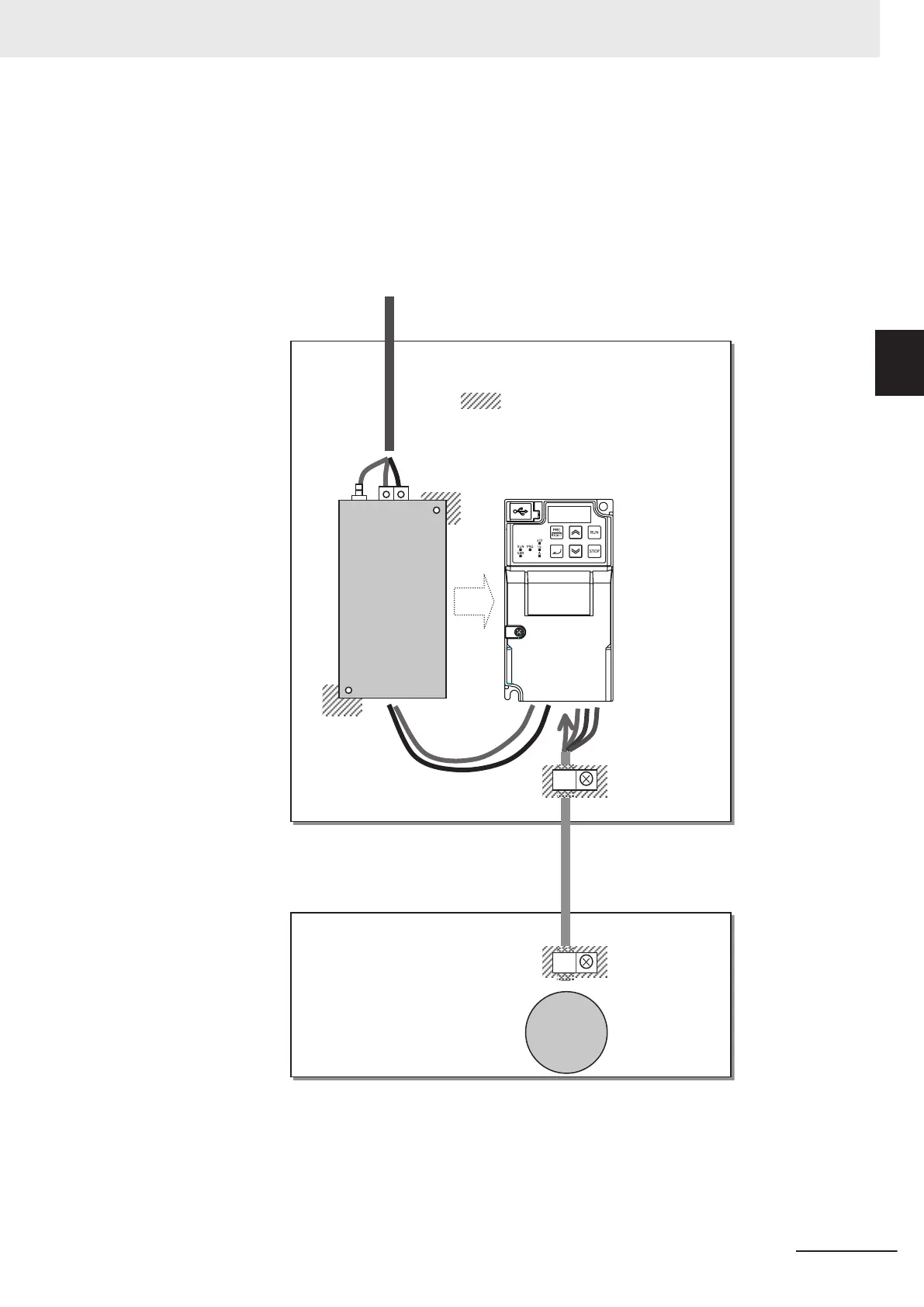
Wiring example for single-phase 200-V class
Motor
U, V, W
PE
EMC filter
(Foot-print)
L1, N
Ground plate
Input power supply
Cable clamp
Cable clamp
Shield braided cable
(20 m max.)
Ground plate
:Remove the paint
for enhanced contact integri
ty.
Low-voltage directive (electrical safety)
The 3G3M1 Series Inverter complies with EN61800-5-1 when installed and wired to equipment ac-
cording to the methods described below.
The 3G3M1 Series Inverter is an open type device. Be sure to install it inside the control panel.
2 Design
2-63
M1 Series Standard Type User's Manual (I669)
2-4 Others
2
2-4-2 Compliance with EU Directives and UKCA

Table of Contents

Related product manuals