EasyManua.ls Logo

Omron C200H-RM201 - Page 65

Omron C200H-RM201
132 pages
Print Icon
To Next Page IconTo Next Page
To Next Page IconTo Next Page
To Previous Page IconTo Previous Page
To Previous Page IconTo Previous Page
Loading...
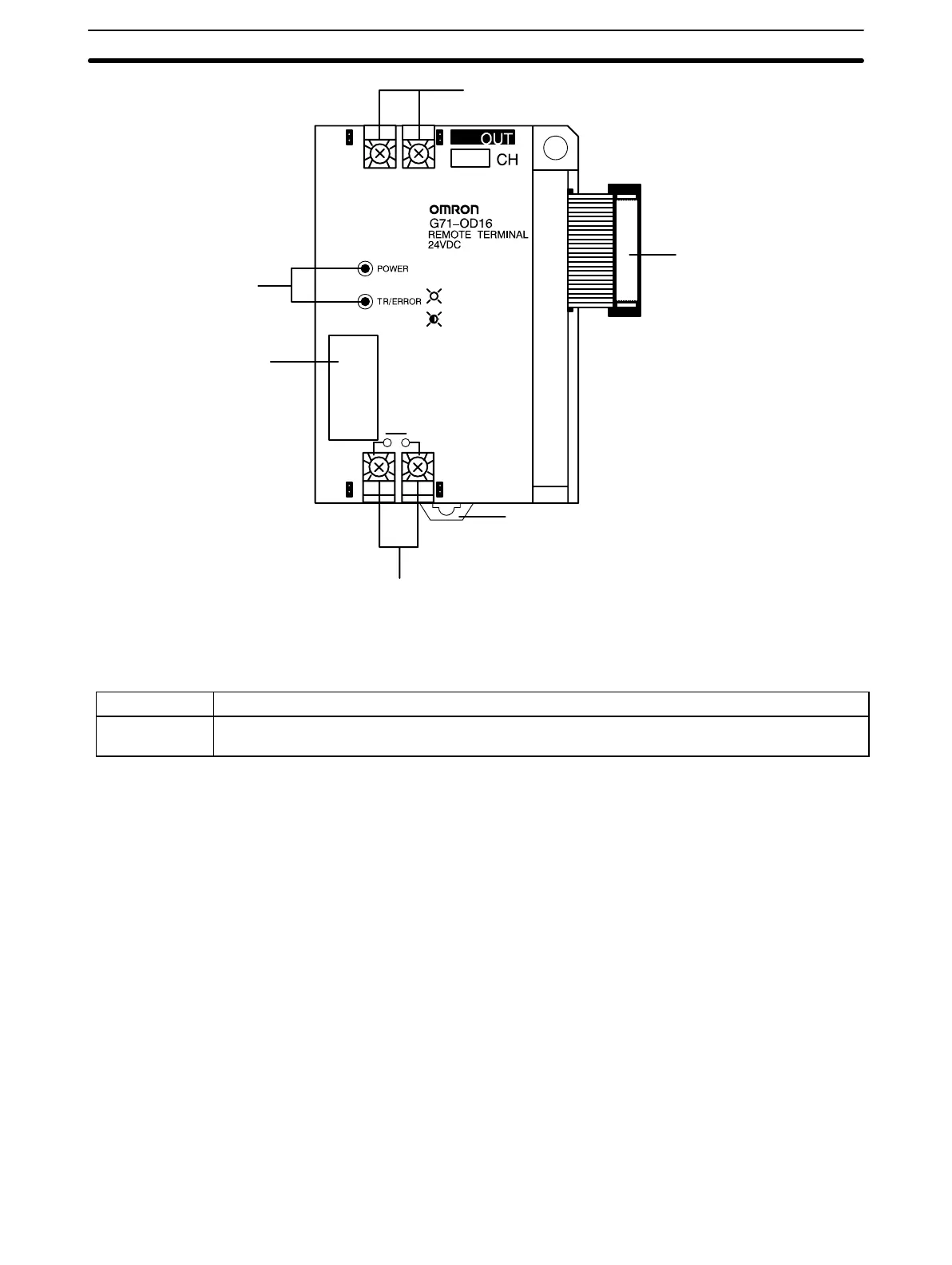
Remote Terminal Section 4-2
54
+–
I/O Block
connector
DIN Rail hook
RUN output – ON while PC is in RUN or MONITOR
mode and no transmission error exists; otherwise, OFF
Indicators
Switch cover
T
ransmission line terminals
Indicators
POWER Lit when power is supplied and Remote Terminal is operational.Not lit for power irregularities.
TR/ERROR Flashes during normal transmission. Lights when on standby or for transmission errors. Goes out for
CPU Unit errors (via watchdog timer monitoring).
Artisan Technology Group - Quality Instrumentation ... Guaranteed | (888) 88-SOURCE | www.artisantg.com

Related product manuals