EasyManua.ls Logo

Omron C200HG-CPU43 - Page 162

Omron C200HG-CPU43
241 pages
To Next Page IconTo Next Page
To Next Page IconTo Next Page
To Previous Page IconTo Previous Page
To Previous Page IconTo Previous Page
Loading...
Appendix BSpecifications
150
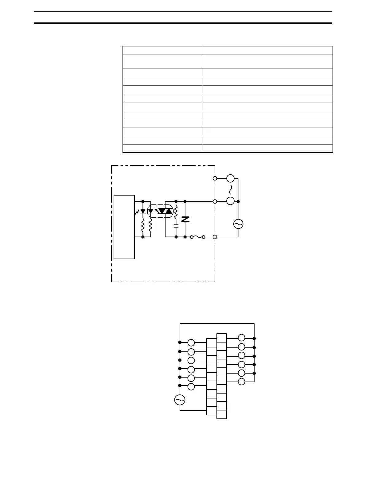
Triac Output Unit C200H-OA222V
Max. Switching Capacity 0.3 A 250 VAC, 50/60 Hz (2 A/Unit)
Min. Switching Capacity 10 mA (resistive load)/40 mA (inductive load)
10 VAC
Leakage Current 3 mA (100 VAC) max./6 mA (200 VAC) max.
Residual Voltage 1.2 V max.
ON Response Time 1/2 of load frequency or less
OFF Response Time 1/2 of load frequency or less.
No. of Circuits 1 (12 points/common)
Internal Current Consumption 200 mA 5 VDC max.
Fuse Rating 3 A 250 V (5.2-dia.x20)
Power for External Supply N/A
Weight 400 g max.
Dimensions B-shape
Circuit Configuration
L
Internal
Circuit
OUT
COM
OUT
Output indicator
L
250 VAC max.
Fuse: 3 A 250 V (5.2-dia.x20) MQ4 (SOC)
Fuse
Note 1. No blown fuse detector circuit is provided.
2. Check the fuse when there is no output.
Terminal Connections
A0
A1
A2
A3
A4
A5
A6
A7
A8
B0
B1
B2
B3
B4
B5
B6
B7
B8
B9
COM
1
3
5
7
9
11
NC
0
2
4
6
8
10
NC
NC
NC
NC
250 VAC max.
(0.3 A max., 2 A/Unit)
L
L
L
L
L
L
L
L
L
L
L
L
NC

Table of Contents

Other manuals for Omron C200HG-CPU43

Related product manuals