EasyManua.ls Logo

Omron E7 - L7 + PLC in Lift Application Example

Omron E7
12 pages
Print Icon
To Next Page IconTo Next Page
To Next Page IconTo Next Page
To Previous Page IconTo Previous Page
To Previous Page IconTo Previous Page
Loading...
374 3G3RV-P10ST@-E
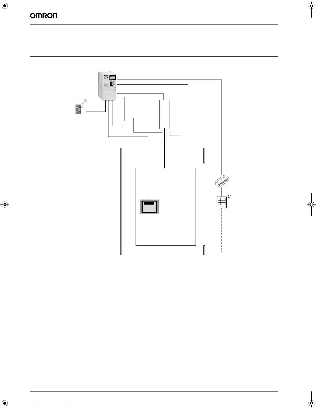
L7 + PLC
The L7 is the ultimate drive for lift applications up to 3m/s. High starting torque, silent operation, lift-specific operator interface and operation with
both AC and PM motors are standard features of the L7 inverter. By combining with PLC option board, it is the ideal solution for controlling
distributed I/O’s, lift cabin HMI, GSM modem to send alarms for example..
Note: For detailed information about the inverter, please see into the Varispeed L7 series section.
L7 + PLC in lift application example
L7 + PLC
GSM modem
Compobus/S
Brake
Contactor
Safety limits
Up to 256 I/O’s
Lift cabin
HMI interface
Y203-EN2-02-Katalog.book Seite 374 Mittwoch, 24. Mai 2006 2:22 14

Related product manuals