EasyManua.ls Logo

Omron G9SB - Application Examples

Omron G9SB
8 pages
Print Icon
To Next Page IconTo Next Page
To Next Page IconTo Next Page
To Previous Page IconTo Previous Page
To Previous Page IconTo Previous Page
Loading...
G9SB
G-125G9SB
Application Examples
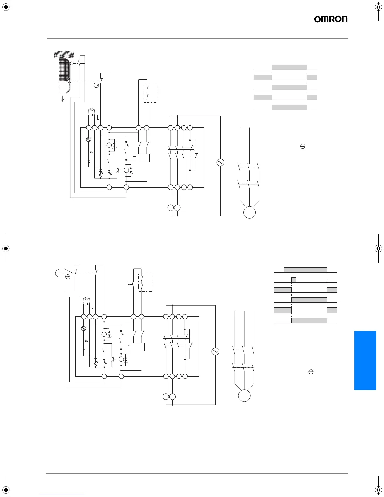
G9SB-2002-A (24 VAC/VDC) or G9SB-3012-A (24 VAC/VDC) with 2-channel Limit Switch Input/Auto-reset
Note: 1. External connections and timing charts for G9SB-200-B/301-B models are the same as those for G9SB-2002-A/3012-A models.
2. This circuit conforms to EN954-1 Safety Category 4.
G9SB-2002-C (24 VAC/VDC) or G9SB-3012-C (24 VAC/VDC)
with 2-channel Emergency Stop Switch Input/Manual-reset
Note: 1. External connections and timing charts for G9SB-200-D/301-D models are the same as those for G9SB-2002-C/3012-D models.
2. This circuit conforms to EN954-1 Safety Category 4.
KM1
KM2
M
11
KM1
KM2
12
23
24
S2
S1
KM1
KM2
K1
K2
K1
K1
K2
K2 K1
a
a
+
-
K2
TH
SA
A1 A2
T11 T12 T31 T32
13 23
33 41
14 24
34 42
T21
T22
**
**
Feedback loop
Control
circuit
Timing Chart
Limit switches S1 and S2
K1 and K2 (NC)
K1 and K2 (NO)
KM1 and KM2 (NC)
KM1 and KM2 (NO)
S1: Safety limit switch with direct
opening mechanism (D4N or
D4B)
S2: Limit switch
KM1 and KM2: Magnetic Contactor
M: 3-phase motor
Note: Only the G9SB-3012-A
model has terminals 33-34
and 41-42.
Open
See note.
KM1
KM2
M
S2
KM1
KM2
21
22
S1
11
12
KM1
KM2
K1
K2
K1
K1
K2
K2 K1
a
a
+
-
K2
TH
SA
A1 A2
T11
T12 T31 T32
13 23
33 41
14 24
34 42
T21
T22
**
*
*
Feedback loop
Control
circuit
Timing Chart
Emergency stop switch S1
Reset switch S2
K1 and K2 (NC)
K1 and K2 (NO)
KM1 and
KM2 (NC)
KM1 and
KM2 (NO)
Note: Output turns ON with the ri-
sing edge of reset switch S2,
but will not operate if there is
a short breakdown in S2.
S1: Emergency stop switch with
direct opening mechanism
(A165E, A22E)
S2: Reset switch
KM1 and KM2: Magnetic Contactor
M: 3-phase motor
Note: Only the G9SB-3012-C model
has terminals 33-34 and 41-
42.
See note.
F502-EN2-04.book Seite 125 Dienstag, 26. Juli 2005 5:48 17

Related product manuals