EasyManua.ls Logo

Omron K3TC - Page 56

Omron K3TC
77 pages
Print Icon
To Next Page IconTo Next Page
To Next Page IconTo Next Page
To Previous Page IconTo Previous Page
To Previous Page IconTo Previous Page
Loading...

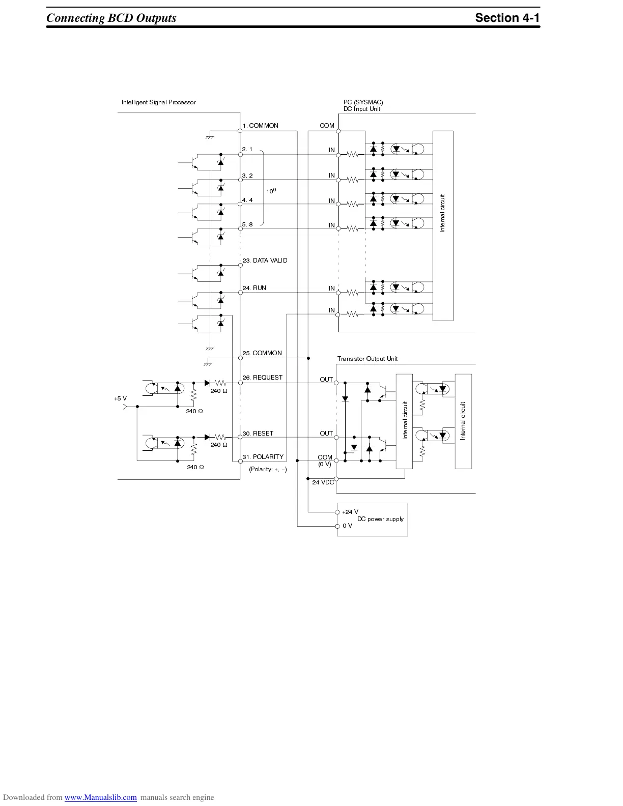
 &RQQHFWLQJ %&' 2XWSXWV
7KH %&' RXWSXW W\SH 3URFHVVRU LV FRQYHQLHQW ZKHQ FRQQHFWLQJ GLUHFWO\ ZLWK D
3& RU SHUVRQDO FRPSXWHU 5HIHU WR WKH IROORZLQJ FRQQHFWLRQ H[DPSOH
 9'&




 5(6(7
 32/$5,7<
 5(48(67
 &20021
 581
 &20021

,1
&20
,1
,1
,1
,1
,1

W

W

W

W
 9
 9
9
287
287
&20
 9
,QWHOOLJHQW 6LJQDO 3URFHVVRU 3& 6<60$&
'& ,QSXW 8QLW
7UDQVLVWRU 2XWSXW 8QLW
'& SRZHU VXSSO\
,
Q
W
H
U
Q
D
O
F
L
U
F
X
L
W
,
Q
W
H
U
Q
D
O
F
L
U
F
X
L
W
,
Q
W
H
U
Q
D
O
F
L
U
F
X
L
W
 '$7$ 9$/,'
3RODULW\  ï
&RQQHFWLQJ %&' 2XWSXWV 6HFWLRQ 

Related product manuals